/media/crossbase/fot_pro_per_424__sall__ainfs__v2.jpg_lj_366x382.jpg
/media/crossbase/zei_pro_sch_42500__sall__ainfs__v1.jpg_lj_366x382.jpg
/media/crossbase/fot_pro_per_424__sall__ainfs__v2.jpg_lj_366x382.jpg
/media/crossbase/zei_pro_sch_42500__sall__ainfs__v1.jpg_lj_366x382.jpg

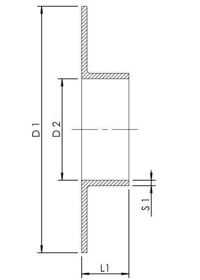
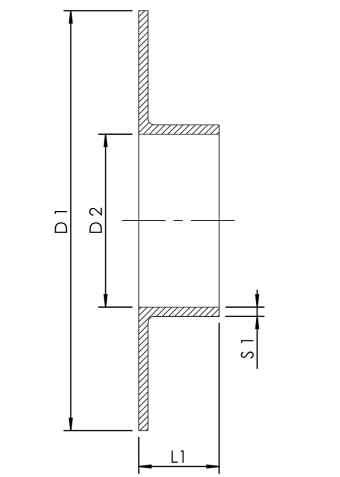
Winkelbordscheiben

Figur 425 00

  • passend für Losflansch
  • aus Reinkupfer

Produktmerkmale

  • passend für Losflansch
  • aus Reinkupfer

Technische Daten

  • Druckstufe PN 10
  • max. Betriebstemperatur 200 °C
/media/crossbase/zei_pro_sch_42500__sall__ainfs__v1.jpg_lj_404xy.jpg
Bestellnr. DN A1
(mm)
D1
(mm)
D2
(mm)
L1
(mm)
S1
(mm)
kg
4250001500 15 15 45 15 9 1,5 0,03
4250001800 15 18 45 18 9 1,5 0,03
4250002000 20 22 58 22 10,5 1,5 0,05
4250002500 25 28 68 28 13 1,5 0,07
4250003200 32 35 78 35 15 1,5 0,09
4250004000 40 42 88 42 15 2 0,10
4250005000 50 54 102 54 17 2 0,16
4250007600 65 76 122 76 21 2 0,19
4250008900 80 89 138 89 23 2 0,23
4250010800 100 108 158 108 19 2,5 0,40
4250013300 125 133 188 133 22 3 0,62

Downloads

Datenblatt
Dateityp
Produktdatenblatt
pdf
Prospekte
Dateityp
Gebäudetechnik Armaturen und Systeme
pdf (15,76 MB)
Technische Informationen
Dateityp
Flanschanschlussmaße
pdf (0,06 MB)
Ersatzteilhandbuch 2024
pdf (4,88 MB)