/media/crossbase/fot_pro_per_71100__sall__ainfs__v1.jpg_lj_366x382.jpg
/media/crossbase/zei_pro_sch_71100__sall__ainfs__v1.jpg_lj_366x382.jpg
/media/crossbase/fot_pro_per_71100__sall__ainfs__v1.jpg_lj_366x382.jpg
/media/crossbase/zei_pro_sch_71100__sall__ainfs__v1.jpg_lj_366x382.jpg

Flanschen-Druckminderer

Figur 711 00

  • Druckregler mit druckentlastetem Einsitzventil und Vordruckentlastung
  • Gehäuse und Federhaube aus Rotguss, Innenteile aus Rotguss und Edelstahl
  • Vollmetallausführung

Produktmerkmale

  • Druckregler mit druckentlastetem Einsitzventil und Vordruckentlastung
  • Gehäuse und Federhaube aus Rotguss, Innenteile aus Rotguss und Edelstahl
  • Vollmetallausführung
  • komplett wartungsfähig
  • Ausgangsdruck individuell an arretierbarem Kunststoffeinstellrad mit Anzeigeskala einstellbar
  • integrierter eingangsseitiger Edelstahl-Schmutzfänger
  • Flanschanschluss
  • für waagerechten und senkrechten Einbau geeignet
  • inkl. zwei Manometer für Vor- und Hinterdruck
  • die Anforderung zur Wartung gem. DIN EN 806-5 ist einzuhalten

Normen & Zulassungen

  • DVGW-Zulassung
  • nach UBA KTW BWGL
  • nach UBA BWGL Metalle
  • DIN EN 1092 / DIN EN 1567 / DIN EN 558-1

Technische Daten

  • Druckstufe PN 25 (nur DN 80, DN 65: PN 16)
  • max. Betriebstemperatur 90 °C
  • min. Ausgangsdruck 0,1 MPa
  • max. Ausgangsdruck 0,7 MPa
  • werksseitige Voreinstellung 0,4 MPa
/media/crossbase/zei_pro_sch_71100__sall__ainfs__v1.jpg_lj_404xy.jpg
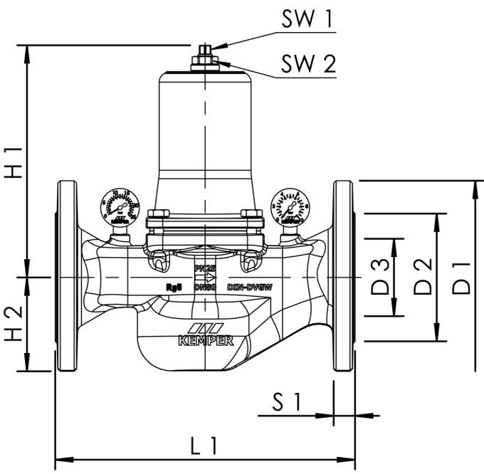
Bestellnr. DN Anzahl Bohrungen D1
(mm)
D2
(mm)
D3
(mm)
H1
(mm)
H2
(mm)
L1
(mm)
S1
(mm)
SW1
(mm)
SW2
(mm)
kvs
(m³/h)
kg
7110006500 65 4 185 118 65 236 89 290 20 12 24 33 19,72
7110008000 80 8 200 132 80 237 97 310 22 12 24 43 21,20

CAD Modelle

Bestellnr. DN CAD Modell
7110006500 65 3D Daten anzeigen
7110008000 80 3D Daten anzeigen

Downloads

Datenblatt
Dateityp
Produktdatenblatt
pdf
Anleitung
Dateityp
Einbau- und Bedienungsanleitung Flanschen-Druckminderer
pdf (7,95 MB)
Prospekte
Dateityp
Gebäudetechnik Armaturen und Systeme
pdf (15,76 MB)
Technische Informationen
Dateityp
Produktdaten nach VDI 3805, Blatt 17
zip (0,1 MB)
Flanschanschlussmaße
pdf (0,06 MB)
Ersatzteilhandbuch 2024
pdf (4,88 MB)
Durchflussdiagramme Flanschen-Druckminderer
pdf (0,07 MB)