/media/crossbase/fot_pro_per_55001_sall_ainfs_v1_lj_366x382.jpg
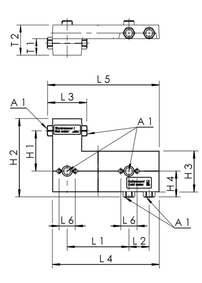
/media/crossbase/zei_pro_sch_55001015_sall_ainfs_v1_lj_366x382.jpg
/media/crossbase/fot_pro_per_55001_sall_ainfs_v1_lj_366x382.jpg
/media/crossbase/zei_pro_sch_55001015_sall_ainfs_v1_lj_366x382.jpg

thermal separator

figure 550 01

  • to avoid heat transmission from drinking water hot (PWH) to drinking water cold (PWC) in mixing taps
  • mounting block foamed in pressure and tensile PU hard foam
  • wetted metal parts made from dezincification-free and corrosion-resistant gunmetal, resistant against aggressive water

Product Features

  • to avoid heat transmission from drinking water hot (PWH) to drinking water cold (PWC) in mixing taps
  • mounting block foamed in pressure and tensile PU hard foam
  • wetted metal parts made from dezincification-free and corrosion-resistant gunmetal, resistant against aggressive water
  • ready to install, suitable for all standard pre-wall elements
  • soundproofed
  • divisible for different depth gauges
  • female pipe thread

Standards & approvals

  • connections in accordance with DVGW W534
  • according to accepted materials list from German environmental agency
  • to meet the requirements of GEG 2023
  • building material class B2 according to DIN 4102
  • UBA BWGL Metalle & DVGW W 551-8
  • ÜA-Reg.-Nr. R-15.2.3-21-17048, WIEN-ZERT

Technical data

  • inside micrometer 150 mm
  • pressure rating PN 10
  • max. operating temperature 70 °C
  • short-term peak temperature 95 °C
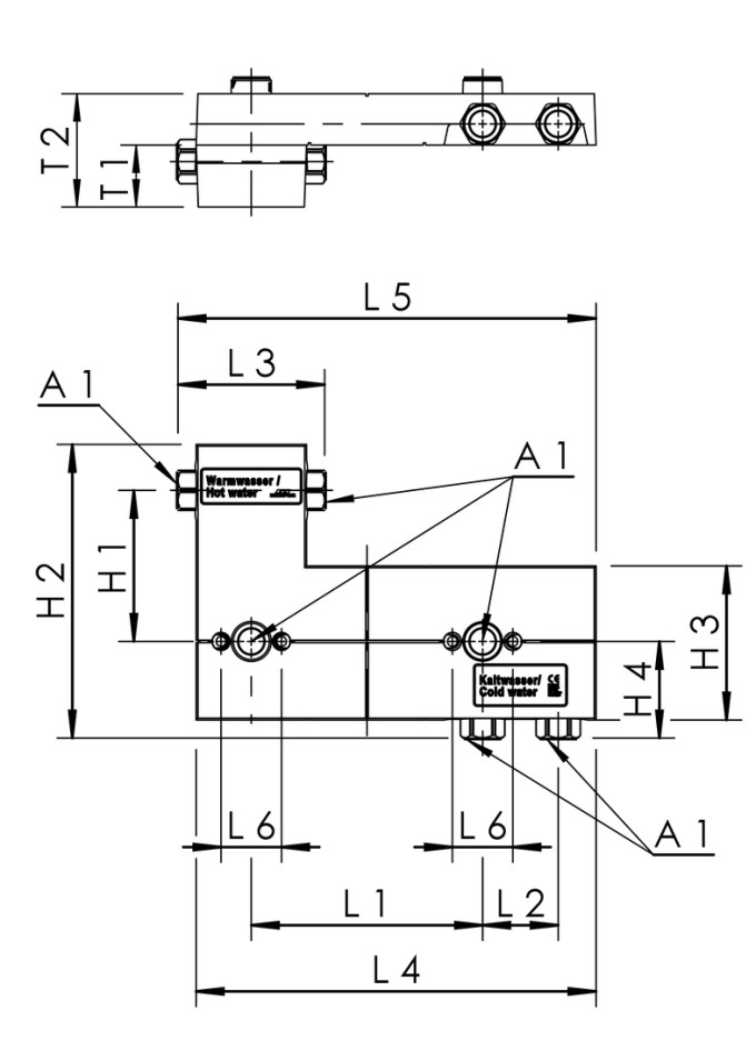
/media/crossbase/zei_pro_sch_55001015_sall_ainfs_v1_lj_404xy.jpg
Part no. DN A1 H1
(mm)
H2
(mm)
H3
(mm)
H4
(mm)
L1
(mm)
L2
(mm)
L3
(mm)
L4
(mm)
L5
(mm)
L6
(mm)
T1
(mm)
T2
(mm)
Weight
(kg)
5500101500 15 Rp 1/2 100 194.5 102 64 153 50 97 264.5 276.5 40 41 75 1.28

CAD models

Part no. DN CAD model
5500101500 15 Show 3D data

Downloads

Data sheet
File type
Product data sheet
pdf
Brochures
File type
Building technology valves and systems
pdf (20.57 MB)