/media/crossbase/fot_pro_per_188_sall_ainfs_v1_lj_366x382.jpg
/media/crossbase/zei_pro_sch_18801_sall_ainfs_v1_lj_366x382.jpg
/media/crossbase/fot_pro_per_188_sall_ainfs_v1_lj_366x382.jpg
/media/crossbase/zei_pro_sch_18801_sall_ainfs_v1_lj_366x382.jpg

sampling valve with CV for connection to angle stop valve

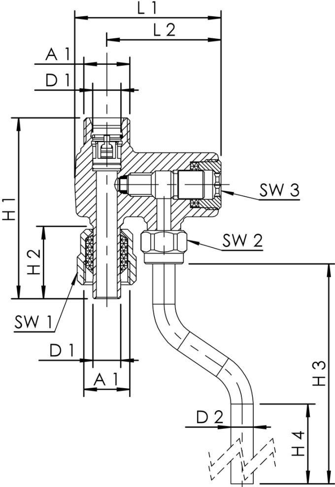
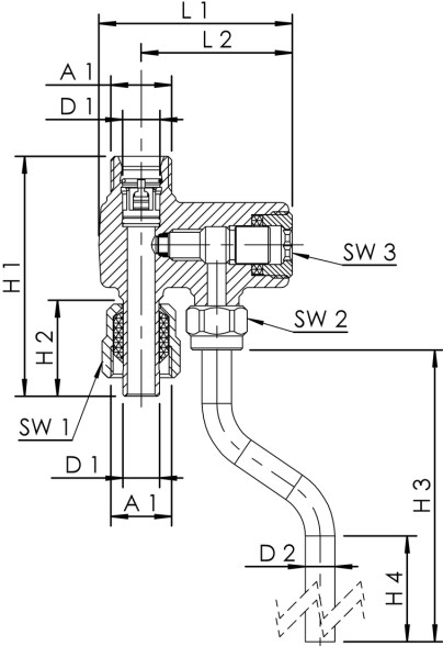
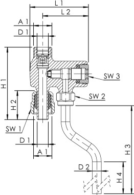
figure 188 01

  • to sample drinking water and determine microbiological parameters according to the German TrinkwV drinking-water regulation
  • for simple retrofitting at the output of the angle valve
  • suitable for angle valves with 10 mm outlet compression connection

Product Features

  • to sample drinking water and determine microbiological parameters according to the German TrinkwV drinking-water regulation
  • for simple retrofitting at the output of the angle valve
  • suitable for angle valves with 10 mm outlet compression connection
  • sampling pipe can be disinfected by flame
  • valve completely chrome-plated
  • PTFE seat gasket
  • inlet 10 x 1.25 pipe, outlet G3/8 male thread with compression nut for 10 mm pipe
  • with integrated check cartridge type EB acc. EN 1717
  • valve is operated with 5 mm allen key (not in package)
  • made of brass, nickel plated
  • free from dead spots
  • incl. Allen key

Standards & approvals

  • DVGW approval
  • according to accepted materials list from German environmental agency
  • UBA BWGL Metalle & DVGW W 551-8

Technical data

  • pressure rating PN 10
  • max. operating temperature 90 °C
/media/crossbase/zei_pro_sch_18801_sall_ainfs_v1_lj_404xy.jpg
Part no. DN A1 D1
(mm)
D2
(mm)
H1
(mm)
H2
(mm)
H3
(mm)
H4
(mm)
L1
(mm)
L2
(mm)
SW1
(mm)
SW2
(mm)
SW3 Weight
(kg)
1880101000 10 G 3/8 10 8 65 26 161 110.5 52.5 41 19 15 5 0.30

Downloads

Data sheet
File type
Product data sheet
pdf
Instructions
File type
Installation and operating instructions Sampling valve for angle valve on washbasin
pdf (1.54 MB)
Brochures
File type
Building technology valves and systems
pdf (20.57 MB)