/media/crossbase/fot_pro_per_08700006_sall_ainfs_v1_lj_366x382.jpg
/media/crossbase/zei_pro_sch_08700_sall_ainfs_v1_lj_366x382.jpg
/media/crossbase/fot_pro_per_08700006_sall_ainfs_v1_lj_366x382.jpg
/media/crossbase/zei_pro_sch_08700_sall_ainfs_v1_lj_366x382.jpg

SST sampling valve

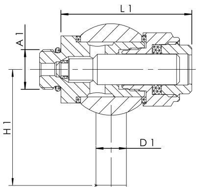
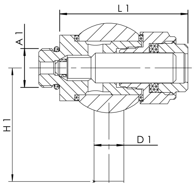
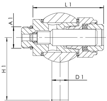
figure 087 00

  • to sample drinking water and determine microbiological parameters according to the German TrinkwV drinking-water regulation
  • Metal parts in contact with the medium made of stainless steel and copper
  • sampling pipe can be disinfected by flame

Product Features

  • to sample drinking water and determine microbiological parameters according to the German TrinkwV drinking-water regulation
  • Metal parts in contact with the medium made of stainless steel and copper
  • sampling pipe can be disinfected by flame
  • valve body and sampling pipe can be rotated 360°
  • can be attached to all Kemper valves with test/drain-port
  • valve is operated with 5 mm allen key (not in package)
  • free from dead spots
  • for any installation position
  • incl. Allen key

Standards & approvals

  • DVGW approval
  • according to accepted materials list from German environmental agency

Technical data

  • pressure rating PN 16
  • max. operating temperature 90 °C
/media/crossbase/zei_pro_sch_08700_sall_ainfs_v1_lj_404xy.jpg
Part no. DN for DN for DN with flange valves A1 D1
(mm)
H1
(mm)
L1
(mm)
Weight
(kg)
0870000600 8 15-50 15-25 G 1/4 10 125 43 0.23
0870001000 10 65-150 32-150 G 3/8 10 125 43 0.24

CAD models & characteristic curves

Part no. DN CAD model Characteristic curve
0870000600 8 Show 3D data Show characteristic curve
0870001000 10 Show 3D data Show characteristic curve

Downloads

Data sheet
File type
Product data sheet
pdf
Instructions
File type
Installation and operating instructions for sampling valve
pdf (1.21 MB)
Brochures
File type
Building technology valves and systems
pdf (20.57 MB)