/media/crossbase/fot_pro_per_08700006__sall__ainfs__v1.jpg_lj_366x382.jpg
/media/crossbase/zei_pro_sch_08700__sall__ainfs__v1.jpg_lj_366x382.jpg
/media/crossbase/fot_pro_per_08700006__sall__ainfs__v1.jpg_lj_366x382.jpg
/media/crossbase/zei_pro_sch_08700__sall__ainfs__v1.jpg_lj_366x382.jpg

NIRO Probenahmeventil

Figur 087 00

  • zur Probenahme von Trinkwasser, Bestimmung mikrobiologischer Parameter nach TrinkwV
  • mediumberührte Metallteile aus Edelstahl und Kupfer
  • abflammbarer und drehbarer Edelstahl-Auslaufbogen

Produktmerkmale

  • zur Probenahme von Trinkwasser, Bestimmung mikrobiologischer Parameter nach TrinkwV
  • mediumberührte Metallteile aus Edelstahl und Kupfer
  • abflammbarer und drehbarer Edelstahl-Auslaufbogen
  • Ventilkörper 360° drehbar
  • passend für alle Armaturen und Verschraubungen mit Entleerungsbohrung
  • absperrbar mit Innensechskantschlüssel SW 5
  • totraumfrei
  • für waagerechten und senkrechten Einbau geeignet
  • inkl. Innensechskantschlüssel

Normen & Zulassungen

  • DVGW-Zulassung
  • nach UBA KTW BWGL
  • nach UBA BWGL Metalle

Technische Daten

  • Druckstufe PN 16
  • max. Betriebstemperatur 90 °C
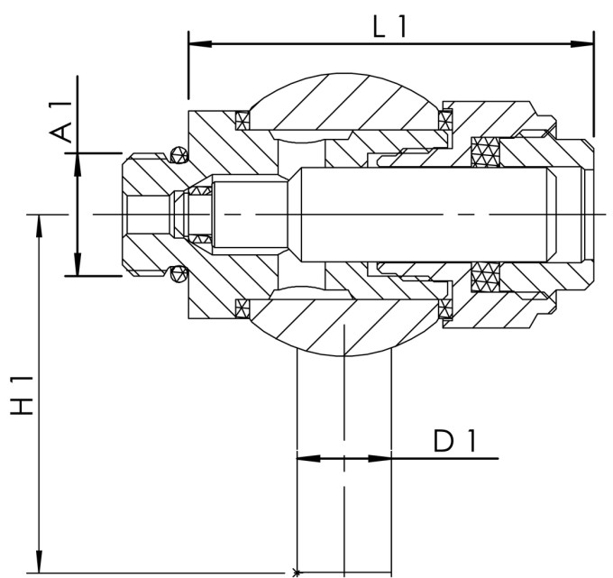
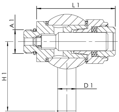
/media/crossbase/zei_pro_sch_08700__sall__ainfs__v1.jpg_lj_404xy.jpg
Bestellnr. DN für DN für DN
bei Flanscharmaturen
A1 D1
(mm)
H1
(mm)
L1
(mm)
kg
0870000600 8 15-50 15-25 G 1/4 10 125 43 0,23
0870001000 10 65-150 32-150 G 3/8 10 125 43 0,24

CAD Modelle & Kennlinien

Bestellnr. DN CAD Modell Kennlinie
0870000600 8 3D Daten anzeigen Kennlinie anzeigen
0870001000 10 3D Daten anzeigen Kennlinie anzeigen

Downloads

Datenblatt
Dateityp
Produktdatenblatt
pdf
Anleitung
Dateityp
Einbau- und Bedienungsanleitung Probenahmeventil
pdf (1,21 MB)
Prospekte
Dateityp
Gebäudetechnik Armaturen und Systeme
pdf (15,76 MB)
Prospekt Probenahmeventile
pdf (3,64 MB)
Technische Informationen
Dateityp
Produktdaten nach VDI 3805, Blatt 17
zip (0,1 MB)
Ersatzteilhandbuch 2024
pdf (4,88 MB)