/media/crossbase/fot_pro_per_6160g__sall__ainfs__v2.jpg_lj_366x382.jpg
/media/crossbase/zei_pro_sch_6160g015__sall__ainfs__v2.jpg_lj_366x382.jpg
/media/crossbase/fot_pro_per_6160g__sall__ainfs__v2.jpg_lj_366x382.jpg
/media/crossbase/zei_pro_sch_6160g015__sall__ainfs__v2.jpg_lj_366x382.jpg

KHS CoolFlow Kaltwasser-Regulierventil mit Stellantrieb 24V

Figur 616 0G

  • als automatisches Zirkulations-Regulierventil mit integrierter Spülfunktion
  • automatisches Feinregulierventil für den hydraulischen Abgleich von Stockwerksverteilungsleitungen ab kv-min 0,03
  • zum thermischen selbstregelnden, hydraulischen Abgleich

Produktmerkmale

  • als automatisches Zirkulations-Regulierventil mit integrierter Spülfunktion
  • automatisches Feinregulierventil für den hydraulischen Abgleich von Stockwerksverteilungsleitungen ab kv-min 0,03
  • zum thermischen selbstregelnden, hydraulischen Abgleich
  • thermostatische Reguliereinheit
  • elektrische Absperreinrichtung kombinierbar mit Spülsystem
  • mediumberührte Metallteile aus entzinkungsfreiem und korrosionsbeständigem Rotguss, beständig gegen aggressives Wasser
  • wartungsfreie EPDM-Spindelabdichtung
  • PTFE-Sitzdichtung
  • druckschlagfreier Betrieb
  • totraumfrei
  • mit Absperr-, Regulier- und Voreinstellfunktion
  • Außengewinde für flachdichtende Verschraubungen

Normen & Zulassungen

  • WRAS-Zulassung
  • nach UBA KTW BWGL
  • nach UBA BWGL Metalle
  • ÜA-Reg.-Nr. R-15.2.3-21-17048, WIEN-ZERT

Technische Daten

  • Regelbereich 15 °C - 22 °C
  • Druckstufe PN 10
  • max. Betriebstemperatur 50 °C
  • max. Umgebungstemperatur 50 °C
  • Schutzart IP54
  • Spannungsversorgung 24 V AC/DC
  • Anschlusskabellänge 1,5 m
  • Kabelquerschnitt 5 x 0,5 mm²
/media/crossbase/zei_pro_sch_6160g015__sall__ainfs__v2.jpg_lj_404xy.jpg
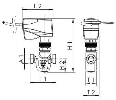
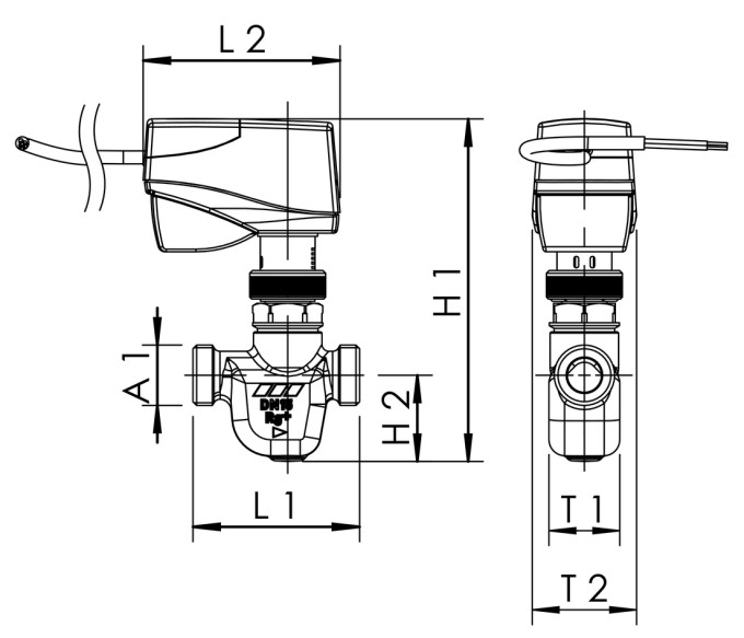
Bestellnr. DN A1 H1
(mm)
H2
(mm)
L1
(mm)
L2
(mm)
T1
(mm)
T2
(mm)
kv min
(m³/h)
kv Spül
(m³/h)
kvs
(m³/h)
kg
6160G01500 15 G 3/4 150 37,8 73 86,2 31 45,7 0,03 2,2 1,8 0,89

CAD Modelle

Bestellnr. DN CAD Modell
6160G01500 15 3D Daten anzeigen

Downloads

Datenblatt
Dateityp
Produktdatenblatt
pdf
Anleitung
Dateityp
Einbau- und Bedienungsanleitung KHS CoolFlow Kaltwasser-Regulierventil
pdf (8,51 MB)
Prospekte
Dateityp
Gebäudetechnik Armaturen und Systeme
pdf (15,76 MB)
Prospekt Hygienesystem KHS
pdf (3,51 MB)
Prospekt Hygienesystem KHS Planungshilfe
pdf (3,9 MB)
Prospekt KHS CoolFlow Kaltwasser-Zirkulation
pdf (1,61 MB)
Prospekt Hygienesystem KHS Planer
pdf (2,71 MB)
Prospekt Hygienesystem KHS Betreiber
pdf (0,62 MB)
Technische Informationen
Dateityp
Produktdaten nach VDI 3805, Blatt 17
zip (0,1 MB)
Durchflussdiagramm-Kaltwasserregulierventil
pdf (0,59 MB)
KHS Verkabelungshinweise
pdf (0,42 MB)