/media/crossbase/fot_pro_per_36931__sall__ainfs__v1.jpg_lj_366x382.jpg
/media/crossbase/zei_pro_sch_3693102500__sall__ainfs__v1.jpg_lj_366x382.jpg
/media/crossbase/fot_pro_per_36931__sall__ainfs__v1.jpg_lj_366x382.jpg
/media/crossbase/zei_pro_sch_3693102500__sall__ainfs__v1.jpg_lj_366x382.jpg

FK-5 PRO Sicherheitstrennstation, mit zwei Anschlüssen

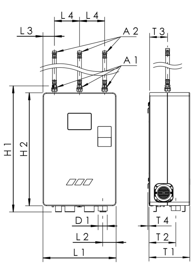
Figur 369 31

  • Betriebs- und Anlagendaten komfortabel via GLT-Anbindung einsehen
  • zur Absicherung von Trinkwasser gegen Nichttrinkwasser der Flüssigkeitskategorie 5 nach DIN EN 1717/DIN 1988-100
  • energieeffiziente und Drehzahl modulierende Pumpe

Produktmerkmale

  • abnehmbare Geräteabdeckung aus EPP
  • Anbindung an die Rohrleitung mit beiliegenden Flexschläuchen (500mm)
  • Ansteuerung externer Tauch- und Dosierpumpe möglich
  • Auslesen von Daten, wie Betriebszustände über USB-Schnittstelle möglich
  • Betriebszeiten können definiert werden
  • einfache Bedienung durch Touchscreen
  • elektrischer Anschluss mit Schukostecker Typ F
  • Erhöhung der Auslaufleistung durch Parallelbetrieb möglich
  • Frostschutzwächter
  • geräuscharmer Betrieb
  • hohe Leistungsfähigkeit
  • Kunststoff-Ablaufanschluss nach DIN EN 1717
  • mediumberührte Teile auf der Trinkwasserseite aus Rotguss, Edelstahl und trinkwasserzugelassenen Kunststoffen
  • mit Überwurfmutter für flachdichtendes Anschlussgewinde inkl. EPDM-Dichtung
  • Nichtrinkwasser kann eingebunden werden (optional)
  • Betriebs- und Anlagendaten komfortabel via GLT-Anbindung einsehen
  • stromlos schließendes Zulaufventil
  • Überlaufüberwachung des Abflusses (optional)
  • zur Absicherung von Trinkwasser gegen Nichttrinkwasser der Flüssigkeitskategorie 5 nach DIN EN 1717/DIN 1988-100
  • zur Aufhängung an der Wand oder Aufstellung auf optionalen Standfüßen
  • energieeffiziente und Drehzahl modulierende Pumpe
  • Spülen der PWC-Leitung bis zu 3 mal pro Tag
  • Reinigung des Vorlagebehälters (optional) möglich
  • Zugang zu digitalen Services im Rahmen der KEMPER PRO-Funktionalitäten
  • die Anforderung zur Wartung gem. DIN EN 806-5 ist einzuhalten
  • Weitere Informationen zum Parallelbetrieb erhalten Sie bei Ihrem zuständigen Außendienstmitarbeiter
  • weitere landespezifische Ausführungen auf Anfrage

Normen & Zulassungen

  • DVGW-Zulassung
  • VA-Zulassung
  • DIN 3546-1

Technische Daten

  • Druckstufe PN 10
  • max. Betriebstemperatur 35 °C
  • min. Umgebungstemperatur 2 °C
  • max. Umgebungstemperatur 40 °C
  • Schutzart IPX4
  • Spannungsversorgung 230 V AC
  • Volumen Vorlagebehälter 30 l
  • Spülmenge der PWC-Leitung 10 l/min (bei 3 bar)
  • elektrische Stromaufnahme 5,9 A
  • Leistungsfaktor 0,98
/media/crossbase/zei_pro_sch_3693102500__sall__ainfs__v1.jpg_lj_404xy.jpg
Bestellnr. DN max. Förderhöhe
(m)
max. Fördermenge
(m³/h)
A1 A2 D1
(mm)
H1
(mm)
H2
(mm)
L1
(mm)
L2
(mm)
L3
(mm)
L4
(mm)
T1
(mm)
T2
(mm)
T3
(mm)
T4
(mm)
min. Fließdruck
(MPa)
Anschluss-
nennweite
Abwasser (mm)
Durchflussmengenbegrenzer im Zulauf kg
3693102500 25 44 6 G 1 1/4 G 1 75 1038 930 600 110 94 206 330 215 147,6 9,5 0,15 75 70 55,00

CAD Modelle & Kennlinien

Bestellnr. DN CAD Modell Kennlinie
3693102500 25 3D Daten anzeigen Kennlinie anzeigen

Downloads

Datenblatt
Dateityp
Produktdatenblatt
pdf
Anleitung
Dateityp
Montageanleitung FK-5 PRO Sicherheitstrennstation
pdf (27,18 MB)
Betriebsanleitung FK-5 PRO Sicherheitstrennstation
pdf (68,9 MB)
Prospekte
Dateityp
Gebäudetechnik Armaturen und Systeme
pdf (15,76 MB)
Ratgeber Sicherungsarmaturen
pdf (6,15 MB)
Prospekt PRO Smarte Lösungen
pdf (5,24 MB)
Prospekt FK-5 PRO Sicherheitstrennstation
pdf (1,28 MB)
Technische Informationen
Dateityp
Pumpenkennlinie FK-5 Sicherheitstrennstation mit zwei Zuläufen
pdf (0,59 MB)
Datenpunktliste FK-5 PRO Sicherheitstrennstation
pdf (0,19 MB)
FK-5 PRO Firmware
zip (0,31 MB)
Voraussetzungen für Parallelschaltung KEMPER FK-5 PRO Sicherheitstrennstation
pdf (0,09 MB)