/media/crossbase/fot_pro_per_68903010__sall__ainfs__v2.jpg_lj_366x382.jpg
/media/crossbase/zei_pro_sch_68903010__sall__ainfs__v1.jpg_lj_366x382.jpg
/media/crossbase/fot_pro_per_68903010__sall__ainfs__v2.jpg_lj_366x382.jpg
/media/crossbase/zei_pro_sch_68903010__sall__ainfs__v1.jpg_lj_366x382.jpg

KHS Hygienespülung LITE mit Durchflusssensor, mit zwei Anschlüssen

Figur 689 03 010

  • besonders geeignet für sicherheitssensible Objekte
  • für automatisch auslösende Wasserwechsel zur Sicherstellung des bestimmungsgemäßen Betriebs
  • ermöglicht turbulenten Wasserwechsel in Trinkwasserleitungen bis DN 50

Produktmerkmale

  • besonders geeignet für sicherheitssensible Objekte
  • für automatisch auslösende Wasserwechsel zur Sicherstellung des bestimmungsgemäßen Betriebs
  • ermöglicht turbulenten Wasserwechsel in Trinkwasserleitungen bis DN 50
  • mit zwei Anschlüssen (Wasserwechselgruppen) z. B. für Trinkwasser kalt (PWC) und Trinkwasser warm (PWH)
  • mediumberührte Metallteile aus entzinkungsfreiem und korrosionsbeständigem Rotguss, beständig gegen aggressives Wasser, Edelstahl und trinkwasserzugelassenen Kunststoffen
  • zum Einbau für alle Einbausituationen (Auf- und Unterputz)
  • zum Einbau im Nassbau oder in Vorwandsystemen
  • kleines Einbaumaß
  • schnelle Montage mittelst Bohrschablone
  • Einbaurahmen (inkl. Tiefenausgleich) und Befestigungsmaterial
  • Wechseldeckel (inkl. Deckelsicherung) mit Push-to-open Magnetschnapper Funktion
  • großzügige Revisionsöffnung
  • Außengewinde für flachdichtende Verschraubungen
  • mit Absperrfunktion zur Wartung
  • Magnetventil mit integriertem Feinsieb
  • Durchfluss- und Temperaturmessamatur (Pt1000) zur Erfassung von Spülmengen
  • Durchfluss 10l/min (5l/min oder 15l/min mit optionalem Zubehör)
  • werkseitig montiertes Spül-Set für Inbetriebnahme
  • alle funktionellen Bauteile werkzeugfrei wartbar
  • integrierte Überlaufüberwachung
  • integrierter Siphon (> 45 l/min) mit entnehmbarer Geruchsverschlusskappe
  • Freier Ablauf nach DIN EN 1717
  • Sperrwasserhöhe 50mm nach DIN 1986-100
  • Abflussnennweite (DN 40 und DN 50)
  • Steuereinheit LITE
  • keine integrierte Reglerlogik (Ansteuerung über Direktanschluss aller Komponenten an Gebäudeautomatisierung/GLT (24 V/4-20 mA)
  • intervall-, zeit- und volumengesteuerte Spülmaßnahmen möglich (abhängig von externer Spüllogik)
  • temperaturgesteuerte Spülmaßnahmen möglich (abhängig von externer Spüllogik) (nur mit zusätzlicher Temperaturmessarmatur möglich)

Normen & Zulassungen

  • DVGW-Zulassung
  • SVGW-Zulassung
  • WRAS-Zulassung
  • KIWA-Zulassung
  • BELGAQUA-Zulassung
  • nach UBA BWGL Metalle
  • Schallschutzzulassung nach DIN EN ISO 3822 Klasse 1 (bis 30 l/min)

Technische Daten

  • Druckstufe PN 10
  • max. Betriebstemperatur 70 °C
  • Schutzart IP44
  • Spannungsversorgung 24 V DC
/media/crossbase/zei_pro_sch_68903010__sall__ainfs__v1.jpg_lj_404xy.jpg
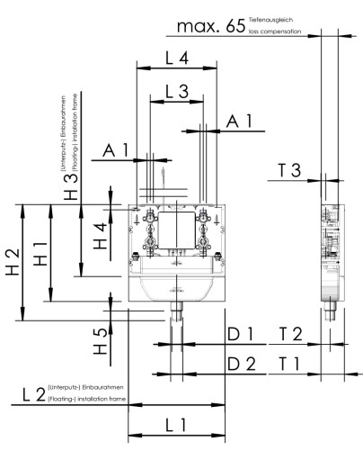
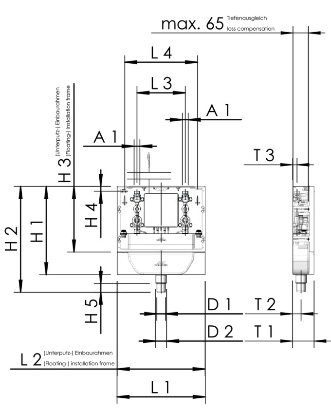
Bestellnr. DN A1 D1
(mm)
D2
(mm)
H1
(mm)
H2
(mm)
H3
(mm)
H4
(mm)
H5
(mm)
L1
(mm)
L2
(mm)
L3
(mm)
L4
(mm)
T1
(mm)
T2
(mm)
T3
(mm)
max. Fließdruck
(MPa)
min. Fließdruck
(MPa)
Anschluss-
nennweite
Abwasser (mm)
kg
6890301000 15 G 3/4 40 50 400 480 297 21,8 40 400 398 219 330 97 38,25 19,7 0,7 0,1 40 / 50 8,40

CAD Modelle & Kennlinien

Bestellnr. DN CAD Modell Kennlinie
6890301000 15 3D Daten anzeigen Kennlinie anzeigen

Downloads

Datenblatt
Dateityp
Produktdatenblatt
pdf
Anleitung
Dateityp
Wartungsanleitung KHS Hygienespülung PRO/PURE/LITE
pdf (5,99 MB)
Datenblatt Externe Ansteuerung KHS Hygienespülung PRO und LITE
pdf (3,25 MB)
Einbau- und Bedienungsanleitung Hygienespülung PRO/PURE/LITE
pdf (27,34 MB)
Montageanleitung Hygienespülung PRO/PURE/LITE
pdf (9,28 MB)
Prospekte
Dateityp
Gebäudetechnik Armaturen und Systeme
pdf (15,76 MB)
Prospekt Hygienesystem KHS
pdf (3,51 MB)
Prospekt Hygienesystem KHS Planungshilfe
pdf (3,9 MB)
Prospekt Hygienesystem KHS Planer
pdf (2,71 MB)
Prospekt KHS Hygienespülung
pdf (4,31 MB)
Prospekt Hygienesystem KHS Betreiber
pdf (0,62 MB)
Technische Informationen
Dateityp
Produktdaten nach VDI 3805, Blatt 17
zip (0,1 MB)
Ersatzteilhandbuch 2024
pdf (4,88 MB)
Abmaße UP Einbaurahmen und Wechseldeckel
pdf (0,07 MB)
Übergabeprotokoll LITE
pdf (0,62 MB)
Wartungsprotokoll LITE
pdf (0,71 MB)