/media/crossbase/fot_pro_per_68903006__sall__ainfs__v2.jpg_lj_366x382.jpg
/media/crossbase/zei_pro_sch_68903006__sall__ainfs__v1.jpg_lj_366x382.jpg
/media/crossbase/fot_pro_per_68903006__sall__ainfs__v2.jpg_lj_366x382.jpg
/media/crossbase/zei_pro_sch_68903006__sall__ainfs__v1.jpg_lj_366x382.jpg

KHS Hygienespülung PURE, mit zwei Anschlüssen

Figur 689 03 006

  • besonders geeignet für zeitgesteuerte Intervallspülung in Kleinobjekten
  • für automatisch auslösende Wasserwechsel zur Sicherstellung des bestimmungsgemäßen Betriebs
  • ermöglicht turbulenten Wasserwechsel in Trinkwasserleitungen bis DN 50

Produktmerkmale

  • besonders geeignet für zeitgesteuerte Intervallspülung in Kleinobjekten
  • für automatisch auslösende Wasserwechsel zur Sicherstellung des bestimmungsgemäßen Betriebs
  • ermöglicht turbulenten Wasserwechsel in Trinkwasserleitungen bis DN 50
  • mit zwei Anschlüssen (Wasserwechselgruppen) z. B. für Trinkwasser kalt (PWC) und Trinkwasser warm (PWH)
  • mediumberührte Metallteile aus entzinkungsfreiem und korrosionsbeständigem Rotguss, beständig gegen aggressives Wasser, Edelstahl und trinkwasserzugelassenen Kunststoffen
  • zum Einbau für alle Einbausituationen (Auf- und Unterputz)
  • zum Einbau im Nassbau oder in Vorwandsystemen
  • kleines Einbaumaß
  • schnelle Montage mittelst Bohrschablone
  • Einbaurahmen (inkl. Tiefenausgleich) und Befestigungsmaterial
  • Wechseldeckel (inkl. Deckelsicherung) mit Push-to-open Magnetschnapper Funktion
  • großzügige Revisionsöffnung
  • Außengewinde für flachdichtende Verschraubungen
  • mit Absperrfunktion zur Wartung
  • Magnetventil mit integriertem Feinsieb
  • Durchfluss 10l/min (5l/min oder 15l/min mit optionalem Zubehör)
  • werkseitig montiertes Spül-Set für Inbetriebnahme
  • alle funktionellen Bauteile werkzeugfrei wartbar
  • integrierte Überlaufüberwachung
  • integrierter Siphon (> 45 l/min) mit entnehmbarer Geruchsverschlusskappe
  • Freier Ablauf nach DIN EN 1717
  • Sperrwasserhöhe 50mm nach DIN 1986-100
  • Abflussnennweite (DN 40 und DN 50)
  • Steuereinheit PURE
  • Inbetriebnahme manuell am Gerät mit Hand
  • intervallgesteuertes Spülen
  • bis zu 100.000 Ereigniseinträge zum Nachweis des bestimmungsgemäßen Betriebes (Auslesung über USB)
  • potentialfreier Störmeldekontakt
  • automatische Erkennung und Überprüfung aller funktionalen Bauteile
  • Summer für Störmeldungen (in drei Lautstärkestufen)
  • LED-Statusanzeige
  • externe Verbindungen ausnahmslos als Festanschluss im Gehäuse (keine externen Anschlussdosen notwendig)
  • Regler im Gehäuse vormontiert (Ausgangskabel Länge 5m)
  • Aufrüstung zur Steuereinheit PRO möglich

Normen & Zulassungen

  • DVGW-Zulassung
  • SVGW-Zulassung
  • WRAS-Zulassung
  • KIWA-Zulassung
  • BELGAQUA-Zulassung
  • nach UBA BWGL Metalle
  • Schallschutzzulassung nach DIN EN ISO 3822 Klasse 1 (bis 30 l/min)

Technische Daten

  • Druckstufe PN 10
  • max. Betriebstemperatur 70 °C
  • Schutzart IP44
  • Spannungsversorgung 230 V AC
  • elektrische Leistungsaufnahme 4,5 W
  • Leistungsaufnahme Standby 3,9 W
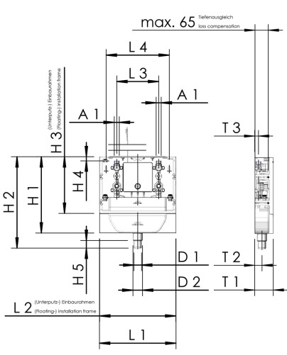
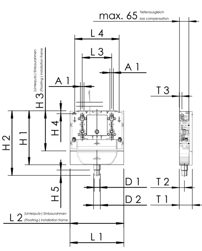
/media/crossbase/zei_pro_sch_68903006__sall__ainfs__v1.jpg_lj_404xy.jpg
Bestellnr. DN A1 D1
(mm)
D2
(mm)
H1
(mm)
H2
(mm)
H3
(mm)
H4
(mm)
H5
(mm)
L1
(mm)
L2
(mm)
L3
(mm)
L4
(mm)
T1
(mm)
T2
(mm)
T3
(mm)
max. Fließdruck
(MPa)
min. Fließdruck
(MPa)
Anschluss-
nennweite
Abwasser (mm)
kg
6890300600 15 G 3/4 40 50 400 480 297 21,8 40 400 398 219 330 97 38,25 19,7 0,7 0,1 40 / 50 8,60

CAD Modelle & Kennlinien

Bestellnr. DN CAD Modell Kennlinie
6890300600 15 3D Daten anzeigen Kennlinie anzeigen

Downloads

Datenblatt
Dateityp
Produktdatenblatt
pdf
Anleitung
Dateityp
Wartungsanleitung KHS Hygienespülung PRO/PURE/LITE
pdf (5,99 MB)
Schnellübersicht PURE
pdf (3,11 MB)
Einbau- und Bedienungsanleitung Hygienespülung PRO/PURE/LITE
pdf (27,34 MB)
Montageanleitung Hygienespülung PRO/PURE/LITE
pdf (9,28 MB)
Prospekte
Dateityp
Gebäudetechnik Armaturen und Systeme
pdf (15,76 MB)
Prospekt Hygienesystem KHS
pdf (3,51 MB)
Prospekt Hygienesystem KHS Planungshilfe
pdf (3,9 MB)
Prospekt Hygienesystem KHS Planer
pdf (2,71 MB)
Prospekt KHS Hygienespülung
pdf (4,31 MB)
Prospekt Hygienesystem KHS Betreiber
pdf (0,62 MB)
Technische Informationen
Dateityp
Produktdaten nach VDI 3805, Blatt 17
zip (0,1 MB)
Software KHS Hygienespülung PRO / PURE
zip (1,07 MB)
Ersatzteilhandbuch 2024
pdf (4,88 MB)
Abmaße UP Einbaurahmen und Wechseldeckel
pdf (0,07 MB)
Übergabeprotokoll PURE
pdf (0,62 MB)
Wartungsprotokoll PURE
pdf (0,83 MB)