/media/crossbase/fot_pro_per_57909__sall__ainfs__v1.jpg_lj_366x382.jpg
/media/crossbase/zei_pro_sch_57909015__sall__ainfs__v1.jpg_lj_366x382.jpg
/media/crossbase/fot_pro_per_57909__sall__ainfs__v1.jpg_lj_366x382.jpg
/media/crossbase/zei_pro_sch_57909015__sall__ainfs__v1.jpg_lj_366x382.jpg

Geräteanschlussventil

Figur 579 09

  • werksseitig vormontiert
  • im geschlossenen Zustand mediumberührte Metallteile aus entzinkungsfreiem und korrosionsbeständigem Rotguss, beständig gegen aggressives Wasser
  • geeignet für die schnelle und einfache Installation in frostfreien Bereichen

Produktmerkmale

  • werksseitig vormontiert
  • im geschlossenen Zustand mediumberührte Metallteile aus entzinkungsfreiem und korrosionsbeständigem Rotguss, beständig gegen aggressives Wasser
  • geeignet für die schnelle und einfache Installation in frostfreien Bereichen
  • Innenoberteil für schnellen Öffnungsvorgang (zwei Umdrehungen)
  • hohe Auslaufleistung 40 l / min (1 bar)
  • wartungsfreie EPDM-Spindelabdichtung
  • EPDM-Sitzdichtung
  • Kegel mit innenliegender RV-Feder
  • integrierter RV und Rohrbelüfter als Sicherungskombination HD
  • Eingang Rohraußengewinde
  • totraumfrei
  • inkl. Schlauchkupplung für gängige Stecksysteme
  • matt verchromter Bediengriff mit Überdrehschutz
  • Armatur nicht frostsicher!

Normen & Zulassungen

  • DVGW-Zulassung
  • nach UBA KTW BWGL
  • nach UBA BWGL Metalle

Technische Daten

  • Druckstufe PN 16
  • max. Betriebstemperatur 65 °C
/media/crossbase/zei_pro_sch_57909015__sall__ainfs__v1.jpg_lj_404xy.jpg
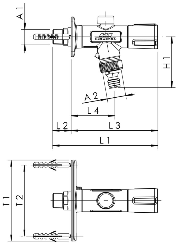
Bestellnr. DN A1 A2 H1
(mm)
L1
(mm)
L2
(mm)
L3
(mm)
L4
(mm)
T1
(mm)
T2
(mm)
Durchfluss
bei 0,05 MPa (l/s)
Durchfluss
bei 0,1 MPa (l/s)
Durchfluss
bei 0,15 MPa (l/s)
kg
5790901500 15 R 1/2 G 3/4 71,5 148 26 122 61,5 114 100 0,46 0,67 0,82 0,77

CAD Modelle & Kennlinien

Bestellnr. DN CAD Modell Kennlinie
5790901500 15 3D Daten anzeigen Kennlinie anzeigen

Downloads

Datenblatt
Dateityp
Produktdatenblatt
pdf
Anleitung
Dateityp
Montage- und Bedienungsanleitung Geräteanschlussventil | Fig. 579 09
pdf (2,26 MB)
Prospekte
Dateityp
Gebäudetechnik Armaturen und Systeme
pdf (15,76 MB)
Ratgeber Sicherungsarmaturen
pdf (6,15 MB)
Technische Informationen
Dateityp
Ersatzteilhandbuch 2024
pdf (4,88 MB)