/media/crossbase/fot_pro_per_57902__sall__ainfs__v1.jpg_lj_366x382.jpg
/media/crossbase/zei_pro_sch_57902015__sall__ainfs__v1.jpg_lj_366x382.jpg
/media/crossbase/fot_pro_per_57902__sall__ainfs__v1.jpg_lj_366x382.jpg
/media/crossbase/zei_pro_sch_57902015__sall__ainfs__v1.jpg_lj_366x382.jpg

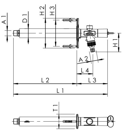
FROSTI® Frostsichere Außenarmatur, vormontierte Ausführung

Figur 579 02

  • werksseitig vormontiert
  • im geschlossenen Zustand mediumberührte Metallteile aus entzinkungsfreiem und korrosionsbeständigem Rotguss, beständig gegen aggressives Wasser
  • geeignet für die schnelle nachträgliche Installation bei bereits fertiggestellter Außenwand
  • mit diebstahlgeschütztem Steckschlüsseloberteil

Produktmerkmale

  • werksseitig vormontiert
  • im geschlossenen Zustand mediumberührte Metallteile aus entzinkungsfreiem und korrosionsbeständigem Rotguss, beständig gegen aggressives Wasser
  • geeignet für die schnelle nachträgliche Installation bei bereits fertiggestellter Außenwand
  • Innenoberteil für schnellen Öffnungsvorgang (zwei Umdrehungen)
  • hohe Auslaufleistung 40 l / min (1 bar)
  • EPDM-Sitzdichtung
  • Kegel mit innenliegender RV-Feder
  • bauseits beliebig verlängerbar
  • integrierter RV und Rohrbelüfter als Sicherungskombination HD
  • Eingang Rohraußengewinde
  • totraumfrei
  • inkl. Schlauchkupplung für gängige Stecksysteme
  • flexible Einbaulänge durch verschiebbare Wandscheibe im Außenbereich
  • mit diebstahlgeschütztem Steckschlüsseloberteil
  • mit diebstahlgeschütztem Funktionsbelüfter zur automatischen Entleerung
  • Auslaufgehäuse mit Montageflächen

Normen & Zulassungen

  • DVGW-Zulassung nach DIN EN 17821
  • ÖVGW-Zulassung
  • SVGW-Zulassung
  • BELGAQUA-Zulassung
  • VA-Zulassung
  • nach UBA KTW BWGL
  • nach UBA BWGL Metalle
  • Schallschutzzulassung nach DIN EN ISO 3822 Klasse 1
  • DIN EN 1717

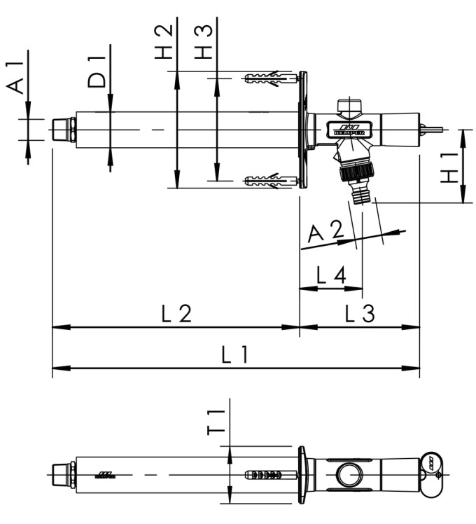
Technische Daten

  • min. Einbautiefe 150 mm
  • Druckstufe PN 16
  • max. Betriebstemperatur 65 °C
/media/crossbase/zei_pro_sch_57902015__sall__ainfs__v1.jpg_lj_404xy.jpg
Bestellnr. DN A1 A2 D1
(mm)
H1
(mm)
H2
(mm)
H3
(mm)
L1
(mm)
L2
(mm)
L3
(mm)
L4
(mm)
T1
(mm)
Durchfluss
bei 0,05 MPa (l/s)
Durchfluss
bei 0,1 MPa (l/s)
Durchfluss
bei 0,15 MPa (l/s)
kg
5790201500 15 R 1/2 G 3/4 35 71,5 114 100 359 242 117 61 56 0,46 0,67 0,82 1,27

CAD Modelle & Kennlinien

Bestellnr. DN CAD Modell Kennlinie
5790201500 15 3D Daten anzeigen Kennlinie anzeigen

Downloads

Datenblatt
Dateityp
Produktdatenblatt
pdf
Anleitung
Dateityp
Montage- und Bedienungsanleitung Frosti® Figur 579
pdf (4,91 MB)
Prospekte
Dateityp
Gebäudetechnik Armaturen und Systeme
pdf (15,76 MB)
Ratgeber Sicherungsarmaturen
pdf (6,15 MB)
FROSTI® Frostsichere Außenarmaturen
pdf (1,57 MB)
Technische Informationen
Dateityp
Produktdaten nach VDI 3805, Blatt 17
zip (0,1 MB)
Ersatzteilhandbuch 2024
pdf (4,88 MB)