/media/crossbase/fot_pro_per_56006__sall__ainfs__v1.jpg_lj_366x382.jpg
/media/crossbase/zei_pro_sch_56006__sall__ainfs__v1.jpg_lj_366x382.jpg
/media/crossbase/fot_pro_per_56006__sall__ainfs__v1.jpg_lj_366x382.jpg
/media/crossbase/zei_pro_sch_56006__sall__ainfs__v1.jpg_lj_366x382.jpg

UP-PLUS Unterputzventil-Grundkörper, SANPRESS/PROFIPRESS

Figur 560 06

  • mediumberührte Metallteile aus entzinkungsfreiem und korrosionsbeständigem Rotguss, beständig gegen aggressives Wasser
  • wartungsfreie EPDM-Spindelabdichtung
  • EPDM-Sitzdichtung

Produktmerkmale

  • mediumberührte Metallteile aus entzinkungsfreiem und korrosionsbeständigem Rotguss, beständig gegen aggressives Wasser
  • wartungsfreie EPDM-Spindelabdichtung
  • EPDM-Sitzdichtung
  • Kegel aus Edelstahl
  • stufenlos kürzbarer Kunststoffschaft
  • verlängerbar durch optional erhältliches Verlängerungsset
  • Pressanschluss für Viega Edelstahlrohr SANPRESS und Kupferrohr PROFIPRESS
  • totraumfrei
  • mit Absperr-, Regulier- und Voreinstellfunktion

Normen & Zulassungen

  • DVGW-Zulassung
  • nach UBA KTW BWGL
  • nach UBA BWGL Metalle
  • Schallschutzzulassung nach DIN EN ISO 3822 Klasse 1
  • DIN EN 1213
  • ÜA-Reg.-Nr. R-15.2.3-21-17048, WIEN-ZERT

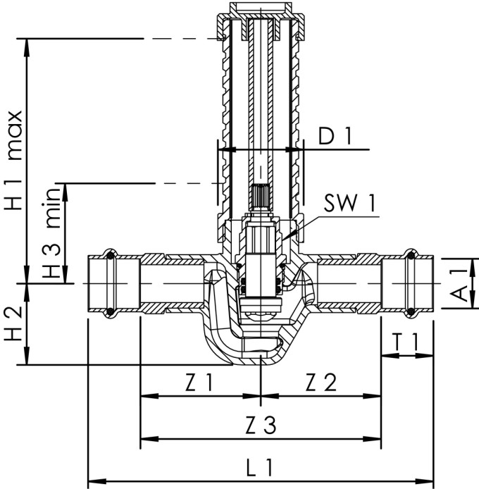
Technische Daten

  • max. Einbautiefe 110 mm
  • Druckstufe PN 16
  • max. Betriebstemperatur 100 °C
/media/crossbase/zei_pro_sch_56006__sall__ainfs__v1.jpg_lj_404xy.jpg
Bestellnr. DN A1
(mm)
D1
(mm)
H1
(mm)
H2
(mm)
H3
(mm)
L1
(mm)
SW1
(mm)
T1
(mm)
Z1
(mm)
Z2
(mm)
Z3
(mm)
Zeta kvs
(m³/h)
kg
5600601500 15 15 38,5 110 37 55 140 17 22 48 48 96 1,5 5,4 0,60
5600601800 15 18 38,5 110 37 55 142 17 22 49 49 98 2,7 5,4 0,62
5600602000 20 22 38,5 110 35 55 153 17 23,5 54 54 108 6,9 6 0,73
5600602500 25 28 46 115 54 55 180 17 23,5 66,5 66,5 133 4 12,3 1,20

CAD Modelle & Kennlinien

Downloads

Datenblatt
Dateityp
Produktdatenblatt
pdf
Anleitung
Dateityp
Einbau- und Bedienungsanleitung UP-PLUS Unterputzventile
pdf (1,11 MB)
Prospekte
Dateityp
Gebäudetechnik Armaturen und Systeme
pdf (15,76 MB)
Technische Informationen
Dateityp
Produktdaten nach VDI 3805, Blatt 17
zip (0,1 MB)
Durchflussdiagramme UP-PLUS Unterputzventile
pdf (0,11 MB)
Ersatzteilhandbuch 2024
pdf (4,88 MB)