/media/crossbase/fot_pro_per_71100_sall_ainfs_v1_lj_366x382.jpg
/media/crossbase/zei_pro_sch_71100_sall_ainfs_v1_lj_366x382.jpg
/media/crossbase/fot_pro_per_71100_sall_ainfs_v1_lj_366x382.jpg
/media/crossbase/zei_pro_sch_71100_sall_ainfs_v1_lj_366x382.jpg

pressure reducing valve, flanged

figure 711 00

  • single-seated valve with balanced plug
  • gunmetal housing, interior parts made of gunmetal and stainless steel
  • full metal version

Product Features

  • single-seated valve with balanced plug
  • gunmetal housing, interior parts made of gunmetal and stainless steel
  • full metal version
  • easy to maintain
  • outlet pressure adjustable on lockable knurl with pressure scale
  • with stainless steel mesh at inlet
  • flange connection
  • for any installation position
  • incl. manometer for inlet and outlet pressure
  • maintenance requirements in accordance with DIN EN 806-5 must be complied with

Standards & approvals

  • DVGW approval
  • according to accepted materials list from German environmental agency
  • DIN EN 1092 / EN 1567 / DIN EN 558-1

Technical data

  • pressure rating PN 25 (DN 80 only, DN 65: PN 16)
  • max. operating temperature 90 °C
  • min. outlet pressure 0.1 MPa
  • max. outlet pressure 0.7 MPa
  • factory setting 0.4 MPa
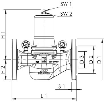
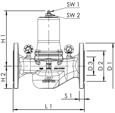
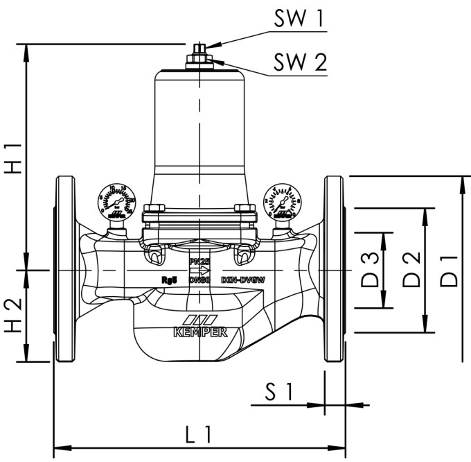
/media/crossbase/zei_pro_sch_71100_sall_ainfs_v1_lj_404xy.jpg
Part no. DN bolt holes D1
(mm)
D2
(mm)
D3
(mm)
H1
(mm)
H2
(mm)
L1
(mm)
S1
(mm)
SW1
(mm)
SW2
(mm)
cv
(m³/h)
Weight
(kg)
7110006500 65 4 185 118 65 236 89 290 20 12 24 33 19.72
7110008000 80 8 200 132 80 237 97 310 22 12 24 43 21.20

CAD models

Part no. DN CAD model
7110006500 65 Show 3D data
7110008000 80 Show 3D data

Downloads

Data sheet
File type
Product data sheet
pdf
Instructions
File type
Installation and operating instructions for flanged pressure reducer
pdf (7.95 MB)
Brochures
File type
Building technology valves and systems
pdf (20.57 MB)
Technical information
File type
Flow Diagram flanged PRV
pdf (0.07 MB)