/media/crossbase/fot_pro_per_56006_sall_ainfs_v1_lj_366x382.jpg
/media/crossbase/zei_pro_sch_56006_sall_ainfs_v1_lj_366x382.jpg
/media/crossbase/fot_pro_per_56006_sall_ainfs_v1_lj_366x382.jpg
/media/crossbase/zei_pro_sch_56006_sall_ainfs_v1_lj_366x382.jpg

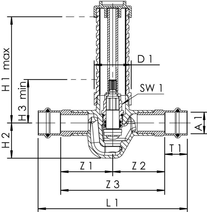
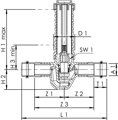
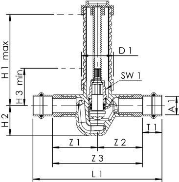
UP-PLUS flush-mounted stop valve, SANPRESS/PROFIPRESS

figure 560 06

  • wetted metal parts made from dezincification-free and corrosion-resistant gunmetal, resistant against aggressive water
  • maintenance-free EPDM spindle seal
  • EPDM-seat gasket

Product Features

  • wetted metal parts made from dezincification-free and corrosion-resistant gunmetal, resistant against aggressive water
  • maintenance-free EPDM spindle seal
  • EPDM-seat gasket
  • stainless steel cone
  • plastic shaft can be shortened
  • can be extended with optional extension kit
  • press connection for Viega SANPRESS SST pipe and PROFIPRESS copper pipe
  • free from dead spots
  • with isolating, balancing and pre-setting function

Standards & approvals

  • DVGW approval
  • according to accepted materials list from German environmental agency
  • soundproofing certification according to DIN EN ISO 3822 Class 1
  • DIN EN 1213
  • ÜA-Reg.-Nr. R-15.2.3-21-17048, WIEN-ZERT

Technical data

  • max. installation depth 110 mm
  • pressure rating PN 16
  • max. operating temperature 100 °C
/media/crossbase/zei_pro_sch_56006_sall_ainfs_v1_lj_404xy.jpg
Part no. DN A1
(mm)
D1
(mm)
H1
(mm)
H2
(mm)
H3
(mm)
L1
(mm)
SW1
(mm)
T1
(mm)
Z1
(mm)
Z2
(mm)
Z3
(mm)
Zeta cv
(m³/h)
Weight
(kg)
5600601500 15 15 38.5 110 37 55 140 17 22 48 48 96 1.5 5.4 0.60
5600601800 15 18 38.5 110 37 55 142 17 22 49 49 98 2.7 5.4 0.62
5600602000 20 22 38.5 110 35 55 153 17 23.5 54 54 108 6.9 6 0.73
5600602500 25 28 46 115 54 55 180 17 23.5 66.5 66.5 133 4 12.3 1.20

CAD models & characteristic curves

Downloads

Data sheet
File type
Product data sheet
pdf
Instructions
File type
Installation and operating instructions for UP-PLUS concealed valves
pdf (1.11 MB)
Brochures
File type
Building technology valves and systems
pdf (20.57 MB)
Technical information
File type
Flow Diagram UP-PLUS flush-mounted valves
pdf (0.11 MB)