/media/crossbase/fot_pro_per_56001_sall_ainfs_v1_lj_366x382.jpg
/media/crossbase/zei_pro_sch_56001_sall_ainfs_v1_lj_366x382.jpg
/media/crossbase/fot_pro_per_56001_sall_ainfs_v1_lj_366x382.jpg
/media/crossbase/zei_pro_sch_56001_sall_ainfs_v1_lj_366x382.jpg

UP-PLUS flush-mounted stop valve, FPT

figure 560 01

  • wetted metal parts made from dezincification-free and corrosion-resistant gunmetal, resistant against aggressive water
  • maintenance-free EPDM spindle seal
  • EPDM-seat gasket

Product Features

  • wetted metal parts made from dezincification-free and corrosion-resistant gunmetal, resistant against aggressive water
  • maintenance-free EPDM spindle seal
  • EPDM-seat gasket
  • stainless steel cone
  • plastic shaft can be shortened
  • can be extended with optional extension kit
  • female pipe thread
  • free from dead spots
  • with isolating, balancing and pre-setting function

Standards & approvals

  • DVGW approval
  • according to accepted materials list from German environmental agency
  • soundproofing certification according to DIN EN ISO 3822 Class 1
  • DIN EN 1213
  • ÜA-Reg.-Nr. R-15.2.3-21-17048, WIEN-ZERT

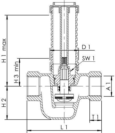
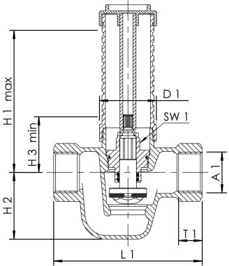
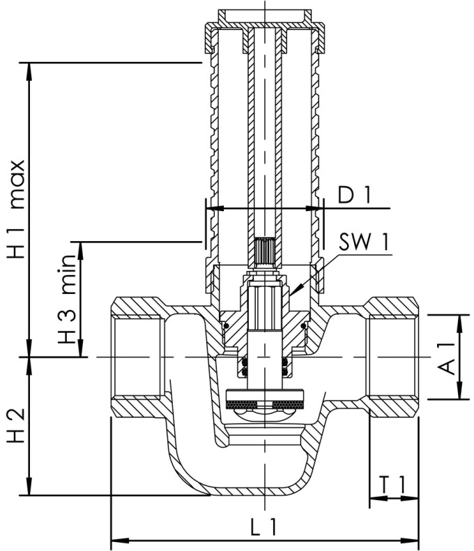
Technical data

  • max. installation depth 110 mm
  • pressure rating PN 16
  • max. operating temperature 100 °C
/media/crossbase/zei_pro_sch_56001_sall_ainfs_v1_lj_404xy.jpg
Part no. DN A1 D1
(mm)
H1
(mm)
H2
(mm)
H3
(mm)
L1
(mm)
SW1
(mm)
T1
(mm)
Zeta cv
(m³/h)
Weight
(kg)
5600101500 15 Rp 1/2 38.5 110 37 55 80 17 15 2.7 5.4 0.56
5600102000 20 Rp 3/4 38.5 110 35 55 90 17 16.3 6.9 6 0.62
5600102500 25 Rp 1 46 115 54 55 120 17 19.1 4 12.3 1.12

CAD models & characteristic curves

Part no. DN CAD model Characteristic curve
5600101500 15 Show 3D data Show characteristic curve
5600102000 20 Show 3D data Show characteristic curve
5600102500 25 Show 3D data Show characteristic curve

Downloads

Data sheet
File type
Product data sheet
pdf
Instructions
File type
Installation and operating instructions for UP-PLUS concealed valves
pdf (1.11 MB)
Brochures
File type
Building technology valves and systems
pdf (20.57 MB)
Technical information
File type
Flow Diagram UP-PLUS flush-mounted valves
pdf (0.11 MB)