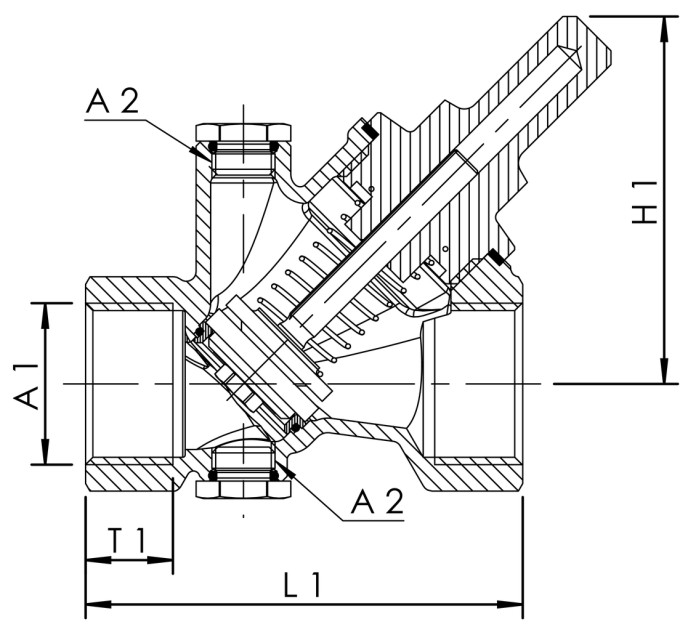
/media/crossbase/fot_pro_per_19502_sall_ainfs_v1_lj_366x382.jpg
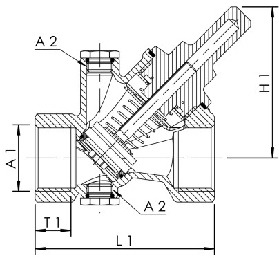
/media/crossbase/zei_pro_sch_19502_sall_ainfs_v1_lj_366x382.jpg
/media/crossbase/fot_pro_per_19502_sall_ainfs_v1_lj_366x382.jpg
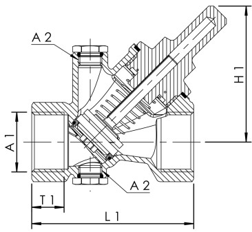
/media/crossbase/zei_pro_sch_19502_sall_ainfs_v1_lj_366x382.jpg

antipollution check valve, FPT, with plugged drain port

figure 195 02

  • wetted metal parts made from dezincification-free and corrosion-resistant gunmetal, resistant against aggressive water
  • female pipe thread
  • with plugged drain port

Product Features

  • wetted metal parts made from dezincification-free and corrosion-resistant gunmetal, resistant against aggressive water
  • female pipe thread
  • with plugged drain port
  • Pt1000 temperature sensor or thermometer can be added using immersion sleeve
  • with test port
  • check valve with SST spring
  • EPDM-seat gasket
  • wear-resistant stainless steel valve seat
  • free from dead spots
  • for any installation position

Standards & approvals

  • according to DVGW regulations
  • according to accepted materials list from German environmental agency
  • up to DN 32 soundproofing certification according to DIN EN ISO 3822 Class 1
  • acc. to DIN EN 13959 provisions
  • ÜA-Reg.-Nr. R-15.2.3-21-17048, WIEN-ZERT

Technical data

  • pressure rating PN 16
  • max. operating temperature 100 °C
/media/crossbase/zei_pro_sch_19502_sall_ainfs_v1_lj_404xy.jpg
Part no. DN A1 A2 H1
(mm)
L1
(mm)
T1
(mm)
Zeta ∆ popening
(hpa)
cv
(m³/h)
kg
1950201500 15 Rp 1/2 G 1/4 48.5 65 15 4.9 120 4.03 0.34
1950202000 20 Rp 3/4 G 1/4 59 75 16.3 3.6 110 8.3 0.47
1950202500 25 Rp 1 G 1/4 72 90 19.1 2.9 130 14.6 0.73
1950203200 32 Rp 1 1/4 G 1/4 93 110 21.4 2.6 80 25.3 1.04
1950204000 40 Rp 1 1/2 G 1/4 98 120 21.4 3.1 80 35.9 1.36
1950205000 50 Rp 2 G 1/4 110 150 25.7 2.3 70 64.7 2.16

CAD models

Part no. DN CAD model
1950201500 15 Show 3D data
1950202000 20 Show 3D data
1950202500 25 Show 3D data
1950203200 32 Show 3D data
1950204000 40 Show 3D data
1950205000 50 Show 3D data

Downloads

Data sheet
File type
Product data sheet
pdf
Brochures
File type
Building technology valves and systems
pdf (20.57 MB)
Technical information
File type
Flow Diagram antipollution check valve type EA
pdf (0.08 MB)