/media/crossbase/fot_pro_per_214__sall__ainfs__v3.jpg_lj_366x382.jpg
/media/crossbase/zei_pro_sch_21001_04__sall__ainfs__v3.jpg_lj_366x382.jpg
/media/crossbase/fot_pro_per_214__sall__ainfs__v3.jpg_lj_366x382.jpg
/media/crossbase/zei_pro_sch_21001_04__sall__ainfs__v3.jpg_lj_366x382.jpg

TRESOR Wandeinbauschrank

Figur 214 01

  • im geschlossenen Zustand mediumberührte Metallteile aus entzinkungsfreiem und korrosionsbeständigem Rotguss, beständig gegen aggressives Wasser
  • verschließbar aus Edelstahl 1.4539 speziell für chlorhaltige Umgebungsbedingungen (z. B. Schwimmbäder), Oberfläche geschliffen
  • als Versorgungseinheit zur zentralen Wasserversorgung

Produktmerkmale

  • Ausstattung:
    - Frostsichere Außenarmatur
    - keine Steckdose
  • im geschlossenen Zustand mediumberührte Metallteile aus entzinkungsfreiem und korrosionsbeständigem Rotguss, beständig gegen aggressives Wasser
  • verschließbar aus Edelstahl 1.4539 speziell für chlorhaltige Umgebungsbedingungen (z. B. Schwimmbäder), Oberfläche geschliffen
  • als Versorgungseinheit zur zentralen Wasserversorgung
  • Blendrahmen mit Tür mit Profil-Schließzylinder als Steckschloss inkl. Bartschlüsseln
  • umrüst- und austauschbar auf eine bestehende Schließanlage
  • bauseits umrüstbar auf CH-KABA-Schlossausführung
  • Tür mit integrierter Klappdurchführung für Schlauch- bzw. Kabelanschluss zur Sicherheit auch während des Gebrauchs
  • wartungsfreie EPDM-Spindelabdichtung
  • Kegel mit innenliegender RV-Feder
  • bauseits beliebig verlängerbar
  • integrierter RV und Rohrbelüfter als Sicherungskombination HD
  • Rohraußengewinde
  • Betätigungsgriff mit blauem Signierplättchen
  • totraumfrei
  • inkl. Schlauchkupplung für gängige Stecksysteme
  • Schloss mit einheitlicher Schlüsselnummer auf Anfrage, weitere Ausstattungen auf Anfrage

Normen & Zulassungen

  • Armatur mit DVGW-Zulassung
  • Armatur mit ÖVGW-Zulassung
  • Armatur mit SVGW-Zulassung
  • Armatur mit KIWA-Zulassung
  • Armatur mit BELGAQUA-Zulassung
  • nach UBA KTW BWGL
  • nach UBA BWGL Metalle
  • DIN EN 15096 Familie H, Typ B / DIN EN 1717 / DIN EN 13959

Technische Daten

  • Druckstufe PN 16
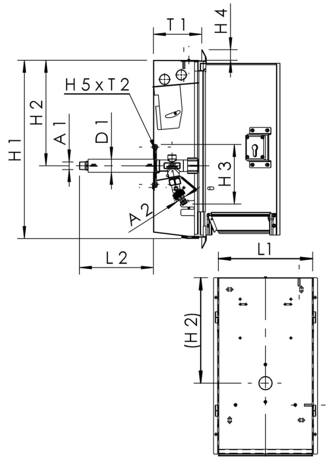
/media/crossbase/zei_pro_sch_21001_04__sall__ainfs__v3.jpg_lj_404xy.jpg
Bestellnr. DN A1 A2 D1
(mm)
H1
(mm)
H2
(mm)
H3
(mm)
H4
(mm)
H5
(mm)
L1
(mm)
L2
(mm)
T1
(mm)
T2
(mm)
Durchfluss
bei 0,05 MPa (l/s)
Durchfluss
bei 0,1 MPa (l/s)
Durchfluss
bei 0,15 MPa (l/s)
kg
2140101500 15 R 1/2 G 3/4 35 477,5 282,5 160 28 114 252,5 198 121,5 56 0,4 0,67 0,8 11,50

CAD Modelle & Kennlinien

Bestellnr. DN CAD Modell Kennlinie
2140101500 15 3D Daten anzeigen Kennlinie anzeigen

Downloads

Datenblatt
Dateityp
Produktdatenblatt
pdf
Anleitung
Dateityp
Einbau- und Bedienungsanleitung TRESOR Wand-Einbauschränke
pdf (3,99 MB)
Prospekte
Dateityp
Gebäudetechnik Armaturen und Systeme
pdf (15,76 MB)
Prospekt TRESOR
pdf (4,05 MB)
Technische Informationen
Dateityp
Produktdaten nach VDI 3805, Blatt 17
zip (0,1 MB)
Ersatzteilhandbuch 2024
pdf (4,88 MB)