/media/crossbase/fot_pro_per_85500001__sall__ainfs__v1.jpg_lj_366x382.jpg
/media/crossbase/zei_pro_sch_85500001__sall__ainfs__v1.jpg_lj_366x382.jpg
/media/crossbase/fot_pro_per_85500001__sall__ainfs__v1.jpg_lj_366x382.jpg
/media/crossbase/zei_pro_sch_85500001__sall__ainfs__v1.jpg_lj_366x382.jpg

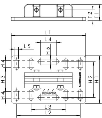
Befestigungsfuß für CLASSIC Absperr-WZ-Kombinationen Figur 855 27 und Figur 885 27

Figur 855 00 001

  • aus Kunststoff, schwarz
  • zur Aufnahme in angegossener Befestigungsrippe
  • komplett mit Schallentkoppler und seitlichen Halteschrauben zur Register-, Montageschienen- oder Wandbefestigung

Produktmerkmale

  • aus Kunststoff, schwarz
  • zur Aufnahme in angegossener Befestigungsrippe
  • komplett mit Schallentkoppler und seitlichen Halteschrauben zur Register-, Montageschienen- oder Wandbefestigung
Bestellnr. H1
(mm)
H2
(mm)
H3
(mm)
H4
(mm)
H5
(mm)
L1
(mm)
L2
(mm)
L3
(mm)
L4
(mm)
L5
(mm)
T1
(mm)
T2
(mm)
kg
8550000100 80 60 50 12 8,3 124 106 58 26 6,2 27 18 0,12

Downloads

Datenblatt
Dateityp
Produktdatenblatt
pdf
Prospekte
Dateityp
Gebäudetechnik Armaturen und Systeme
pdf (15,76 MB)
Technische Informationen
Dateityp
Ersatzteilhandbuch 2024
pdf (4,88 MB)