/media/crossbase/fot_pro_per_6150g_sall_ainfs_v2_lj_366x382.jpg
/media/crossbase/zei_pro_sch_6150g015_sall_ainfs_v1_lj_366x382.jpg
/media/crossbase/fot_pro_per_6150g_sall_ainfs_v2_lj_366x382.jpg
/media/crossbase/zei_pro_sch_6150g015_sall_ainfs_v1_lj_366x382.jpg

KHS CoolFlow-Regulační ventil se servopohonem 230 V

Figur 615 0G

  • Jako automatický cirkulační regulační ventil s integrovanou funkcí proplachování
  • Automatický jemný regulační ventil pro hydraulické vyrovnání poschoďových rozvodných potrubí od kv-min 0,03
  • Pro tepelné, hydraulické vyrovnání s autoregulací

Atributy výrobku

  • Jako automatický cirkulační regulační ventil s integrovanou funkcí proplachování
  • Automatický jemný regulační ventil pro hydraulické vyrovnání poschoďových rozvodných potrubí od kv-min 0,03
  • Pro tepelné, hydraulické vyrovnání s autoregulací
  • termostatická regulační jednotka
  • elektrické uzavírací zařízení kombinovatelné se systémem proplachu
  • Pro napojení na stávající systémové řízení KHS Mini
  • v místech kontaktu s mediem bez přítomnosti mosazi a odolný proti agresivním kapalinám. Vyroben z červeného Bronzu
  • bezúdržbové těsnění EPDM vřetena
  • PTFE - těsnění sedla
  • provoz bez tlakových rázů
  • Bez mrtvého bodu
  • s možnosti uzavření, regulací a přednastavením
  • vnější závit pro šroubení s plochým těsněním

Normy a schválení

  • Registrace WRAS
  • podle hodnoticích kritérií Spolkového úřadu pro životní prostředí pro materiály, které jsou v kontaktu s pitnou vodou (UBA KTW BWGL)
  • podle hodnoticích kritérií Spolkového úřadu pro životní prostředí pro kovy (UBA BWGL Metalle)
  • ÜA-Reg.-Nr. R-15.2.3-21-17048, WIEN-ZERT

Technické údaje

  • Rozsah regulace 15 °C - 22 °C
  • hladina tlaku PN 10
  • max. Provozní teplota 50 °C
  • max. Okolní teplota 50 °C
  • krytí IP54
  • napájení 230 V AC
  • délka připojovacého kabelu 1,6 m 1.5 m
  • průřez kabelu 3 x 0,75 mm²
/media/crossbase/zei_pro_sch_6150g015_sall_ainfs_v1_lj_404xy.jpg
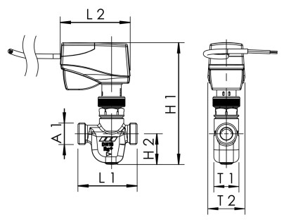
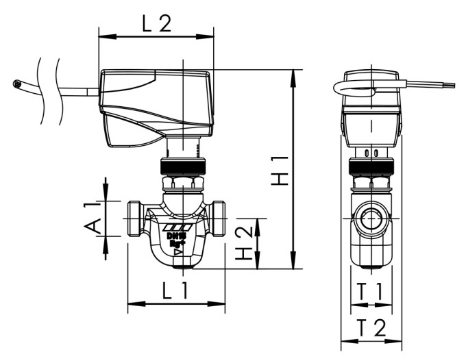
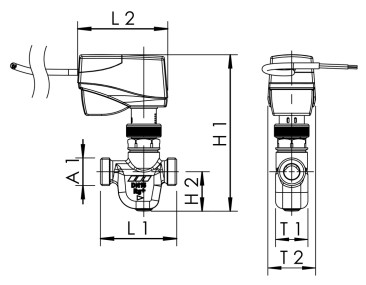
Číslo objednávky DN A1 H1
(mm)
H2
(mm)
L1
(mm)
L2
(mm)
T1
(mm)
T2
(mm)
kv min
(m³/h)
kv proplach
(m³/h)
kvs
(m³/h)
Hmotnost
(kg)
6150G01500 15 G 3/4 150 37.8 73 86.2 31 45.7 0.03 2.2 1.8 0.90

CAD modely

Číslo objednávky DN CAD model
6150G01500 15 Zobrazení 3D dat

Soubory ke stažení

Datový list
Typ souboru
Datový list produktu
pdf
Pokyny
Typ souboru
Montážní návod a návod k obsluze KHS CoolFlow chlazení studené vody Regulační ventil
pdf (8,51 MB)
Brožury
Typ souboru
Brožura Hygienický systém KHS pro operátory
pdf (5,13 MB)
Technické informace
Typ souboru
Průtokovy diagram regulační armatury pro studenou vodu
pdf (0,59 MB)