/media/crossbase/fot_pro_per_68903010_sall_ainfs_v2_lj_366x382.jpg
/media/crossbase/zei_pro_sch_68903010_sall_ainfs_v1_lj_366x382.jpg
/media/crossbase/fot_pro_per_68903010_sall_ainfs_v2_lj_366x382.jpg
/media/crossbase/zei_pro_sch_68903010_sall_ainfs_v1_lj_366x382.jpg

KHS Hygiene Flush Box LITE s průtokovým čidlem, s dvěma přívody

Figur 689 03 010

  • Obzvlášť se hodí pro objekty s důrazem na bezpečnost
  • pro automaticky spouštěnou obměnu vody k zajištění provozu podle pokynů
  • Umožňuje turbulentní výměnu vody v potrubích pitné vody do DN 50

Atributy výrobku

  • Obzvlášť se hodí pro objekty s důrazem na bezpečnost
  • pro automaticky spouštěnou obměnu vody k zajištění provozu podle pokynů
  • Umožňuje turbulentní výměnu vody v potrubích pitné vody do DN 50
  • Se dvěma přívody (skupiny výměny vody) např. pro studenou pitnou vodu (PWC) a teplou pitnou vodu (PWH)
  • Kovové části, které se dotýkají média, jsou z červeného bronzu odolného proti odzinkování a korozi, proti agresivní vodě, nerezové oceli a plastům povolených pro systémy pitné vody.
  • Montáž pro všechny situace (na a do omítky)
  • k zabudování v mokré stavbě nebo v systémech na stěnu
  • Malý montážní rozměr
  • rychlá montáž pomocí vrtací šablony
  • Montážní rám (včetně hloubkového vyrovnání) a upevňovacího materiálu
  • Výměnné víko (včetně pojistky) s funkcí magnetické západky Push-to-open
  • velký revizní otvor
  • vnější závit pro šroubení s plochým těsněním
  • možnost uzavření pro udržbu
  • magnetický ventil s integrovaným jemným sítkem
  • Armatura pro měření průtoku a teploty (Pt1000) pro zjištění proplachovacího množství
  • Průtok 10l/min (5l/min nebo 15l/min s volitelným příslušenstvím)
  • Z výroby namontovaná proplachovací sada pro uvedení do provozu
  • Údržbu všech funkčních dílů lze provádět bez použití nářadí
  • integrované sledování přepadu
  • Integrovaný sifon (> 45 l/min) s odnímatelnou protizápachovou zátkou
  • Volný odtok podle DIN EN 1717
  • Výška zahlcovací vody 50mm podle DIN 1986-100
  • Jmenovitá světlost odtoku (DN 40 a DN 50)
  • Řídicí jednotka LITE
  • Bez integrované regulační logiky (ovládání pomocí přímého připojení všech komponent na automatizaci budovy/ GLT (24 V/4-20 mA)
  • Možná intervalově, časově a objemově řízená opatření související s proplachováním (v závislosti na logice externího proplachování)
  • Možná opatření proplachování s řízením teploty (v závislosti na logice externího proplachování) (možné jen s přídavnou armaturou pro měření teploty)

Normy a schválení

  • Registrace DVGW
  • Registrace SVGW
  • Registrace WRAS
  • Registrace KIWA
  • Registrace BELGAQUA
  • podle hodnoticích kritérií Spolkového úřadu pro životní prostředí pro kovy (UBA BWGL Metalle)
  • povolení zvukové izolace podle DIN EN ISO 3822 třída 1 (až 30l/min)

Technické údaje

  • hladina tlaku PN 10
  • max. Provozní teplota 70 °C
  • krytí IP44
  • napájení 24 V DC
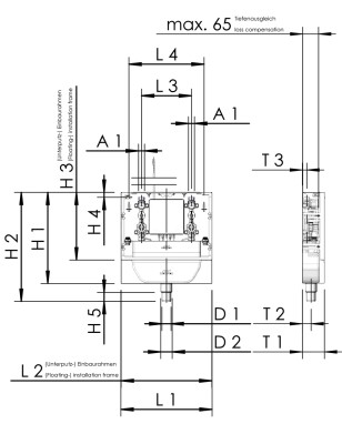
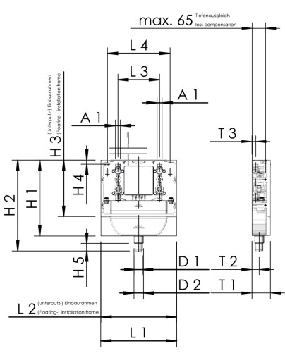
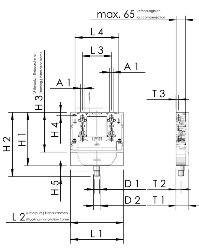
/media/crossbase/zei_pro_sch_68903010_sall_ainfs_v1_lj_404xy.jpg
Číslo objednávky DN A1 D1
(mm)
D2
(mm)
H1
(mm)
H2
(mm)
H3
(mm)
H4
(mm)
H5
(mm)
L1
(mm)
L2
(mm)
L3
(mm)
L4
(mm)
T1
(mm)
T2
(mm)
T3
(mm)
max. dynamický tlak
(MPa)
Minimální hydraulický tlak
(MPa)
jmenovitá šířka
přípoje odpadové
vody (mm)
Hmotnost
(kg)
6890301000 15 G 3/4 40 50 400 480 297 21.8 40 400 398 219 330 97 38.25 19.7 0.7 0.1 40 / 50 8.40

CAD model a charakteristiky

Číslo objednávky DN CAD model Charakteristická křivka
6890301000 15 Zobrazení 3D dat Zobrazení charakteristické křivky

Soubory ke stažení

Datový list
Typ souboru
Datový list produktu
pdf
Pokyny
Typ souboru
návod k údržbě KHS hygienického proplachování PRO/PURE/LITE
pdf (5,99 MB)
datový list Externí ovládání KHS hygienického proplachování PRO a LITE
pdf (3,25 MB)
Montážní návod a návod k obsluze hygienické proplachování PRO/PURE/LITE
pdf (14,92 MB)
montážní návod hygienické proplachování PRO/PURE/LITE
pdf (9,5 MB)
Brožury
Typ souboru
prospekt KHS hygienické proplachování
pdf (4,84 MB)
Brožura Hygienický systém KHS pro operátory
pdf (5,13 MB)
Technické informace
Typ souboru
rozměry podomítkového montážního rámu a výměnného víka
pdf (0,07 MB)
předávací protokol LITE
pdf (0,62 MB)
protokol o údržbě LITE
pdf (0,71 MB)