/media/crossbase/fot_pro_per_19102_sall_ainfs_v1_lj_366x382.jpg
/media/crossbase/zei_pro_sch_19102_sall_ainfs_v1_lj_366x382.jpg
/media/crossbase/fot_pro_per_19102_sall_ainfs_v1_lj_366x382.jpg
/media/crossbase/zei_pro_sch_19102_sall_ainfs_v1_lj_366x382.jpg

STANDARD volně průtokové-uzavírací ventily, s vypouštěcí ucpávkou, vnitřní závit

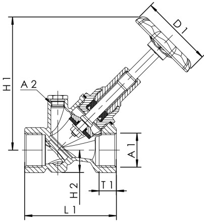
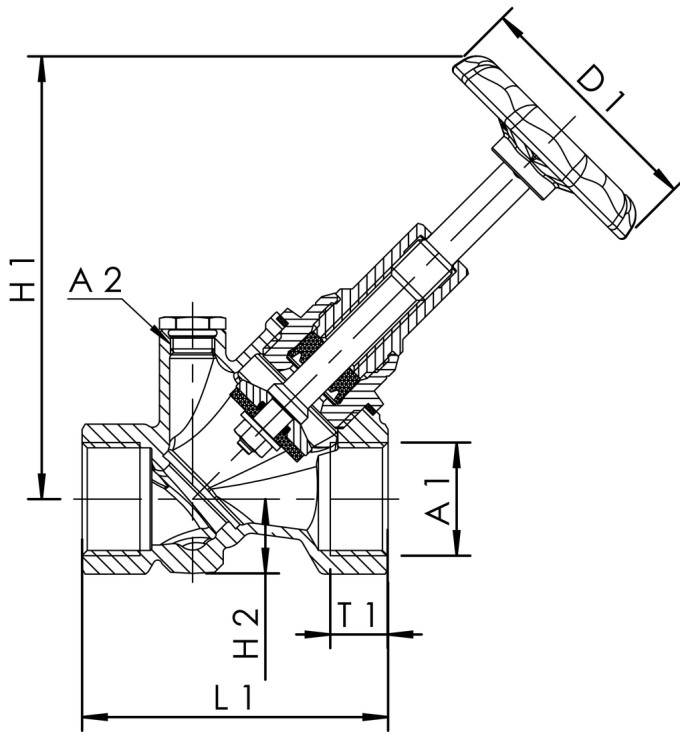
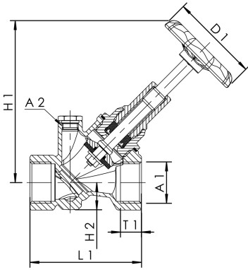
Figur 191 02

  • Tělo ventilu z Bronzu, horní díl vřetene z Mosazi
  • Bezudržbové jazýčkové těsnění EPDM, samomazné
  • Vnitřní závit

Atributy výrobku

  • Tělo ventilu z Bronzu, horní díl vřetene z Mosazi
  • Bezudržbové jazýčkové těsnění EPDM, samomazné
  • Vnitřní závit
  • s vypouštěcí ucpávkou
  • s možností připojení teplotního čidla Pt1000 nebo teploměru (potřeba dokoupit jímku)
  • závit vřetena mimo medium
  • EPDM-sedlové těsnění
  • zelená ovládací rukojeť
  • Bez mrtvého bodu

Normy a schválení

  • Registrace DVGW
  • Registrace ÖVGW
  • Registrace SVGW
  • Registrace WRAS
  • Registrace VA
  • podle hodnoticích kritérií Spolkového úřadu pro životní prostředí pro materiály, které jsou v kontaktu s pitnou vodou (UBA KTW BWGL)
  • podle hodnoticích kritérií Spolkového úřadu pro životní prostředí pro kovy (UBA BWGL Metalle)
  • Do DN 32 povolení zvukové izolace podle DIN EN ISO 3822 třída 1
  • DIN EN 1213
  • ÜA-Reg.-Nr. R-15.2.3-21-17048, WIEN-ZERT

Technické údaje

  • hladina tlaku PN 16
  • max. Provozní teplota 110 °C
/media/crossbase/zei_pro_sch_19102_sall_ainfs_v1_lj_404xy.jpg
Číslo objednávky DN A1 A2 D1
(mm)
H1
(mm)
H2
(mm)
L1
(mm)
T1
(mm)
Zeta kvs
(m³/h)
Hmotnost
(kg)
1910201500 15 Rp 1/2 G 1/4 60 95 21 65 15 2.3 5.9 0.39
1910202000 20 Rp 3/4 G 1/4 60 104 24 75 16.3 1.6 12.5 0.51
1910202500 25 Rp 1 G 1/4 70 136 22 90 19.1 1.4 21.3 0.81
1910203200 32 Rp 1 1/4 G 1/4 70 152 28.5 110 21.4 1.1 38.7 1.19
1910204000 40 Rp 1 1/2 G 1/4 70 161 29.5 120 21.4 1.8 47.2 1.53
1910205000 50 Rp 2 G 1/4 90 191 35.5 150 25.7 1.4 84.8 2.47

Soubory ke stažení

Datový list
Typ souboru
Datový list produktu
pdf
Brožury
Typ souboru
prospekt uzavíracích ventilů
pdf (17,51 MB)
Technické informace
Typ souboru
Diagramy průtoku
pdf (0,1 MB)