/media/crossbase/fot_pro_per_1300g_sall_ainfs_v1_lj_366x382.jpg
/media/crossbase/zei_pro_sch_1300g_sall_ainfs_v1_lj_366x382.jpg
/media/crossbase/fot_pro_per_1300g_sall_ainfs_v1_lj_366x382.jpg
/media/crossbase/zei_pro_sch_1300g_sall_ainfs_v1_lj_366x382.jpg

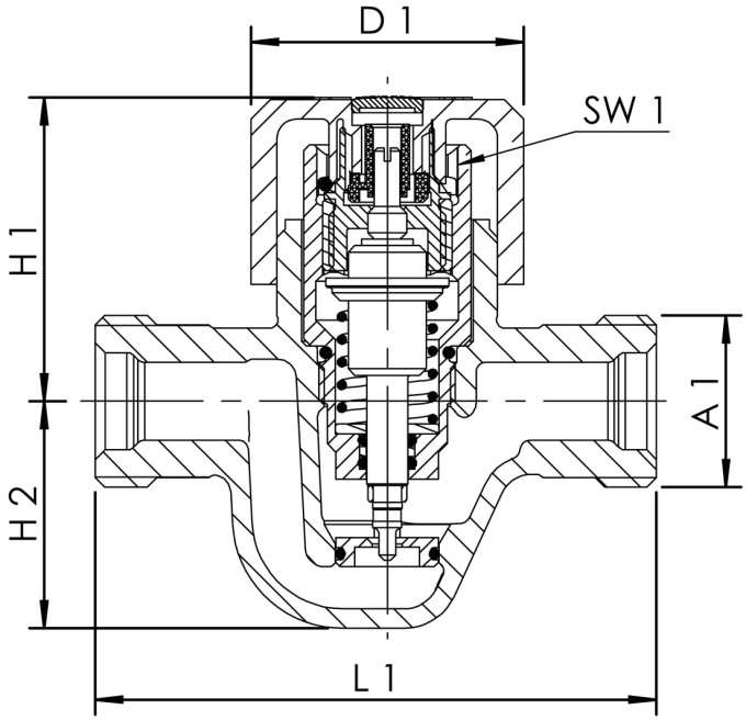
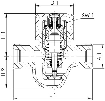
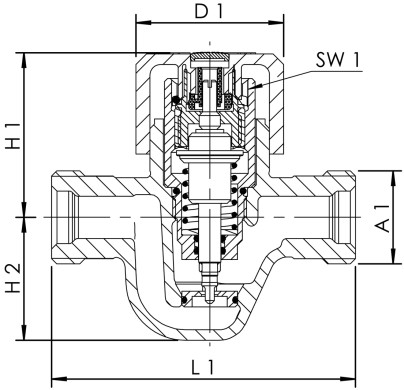
ETA-THERM automatisches Zirkulations-Regulierventil, 56 °C bis 58 °C, AG

Figur 130 0G

  • automatisches Feinregulierventil für den hydraulischen Abgleich von kleinsten Zirkulationskreisen ab kv-min 0,05
  • zum thermischen selbstregelnden, hydraulischen Abgleich, mit automatischer Regelbereichsumstellung für die thermische Desinfektion
  • mediumberührte Metallteile aus entzinkungsfreiem und korrosionsbeständigem Rotguss, beständig gegen aggressives Wasser

Produktmerkmale

  • automatisches Feinregulierventil für den hydraulischen Abgleich von kleinsten Zirkulationskreisen ab kv-min 0,05
  • zum thermischen selbstregelnden, hydraulischen Abgleich, mit automatischer Regelbereichsumstellung für die thermische Desinfektion
  • mediumberührte Metallteile aus entzinkungsfreiem und korrosionsbeständigem Rotguss, beständig gegen aggressives Wasser
  • PTFE-Sitzdichtung
  • wartungsfreie EPDM-Spindelabdichtung
  • thermostatische Reguliereinheit
  • Außengewinde für flachdichtende Verschraubungen
  • Betätigungsgriff mit lila Signierplättchen
  • totraumfrei
  • mit Absperr-, Regulier- und Voreinstellfunktion

Normen & Zulassungen

  • DVGW-Zulassung
  • ÖVGW-Zulassung
  • SVGW-Zulassung
  • WRAS-Zulassung
  • nach UBA KTW BWGL
  • für Anlagen nach DVGW-Arbeitsblatt W 551/W 553/DIN 1988-300
  • nach UBA BWGL Metalle
  • ÜA-Reg.-Nr. R-15.2.3-21-17048, WIEN-ZERT

Technische Daten

  • Regelbereich 56 °C - 58 °C
  • Druckstufe PN 16
  • max. Betriebstemperatur 90 °C
/media/crossbase/zei_pro_sch_1300g_sall_ainfs_v1_lj_404xy.jpg
Bestellnr. DN A1 D1
(mm)
H1
(mm)
H2
(mm)
L1
(mm)
SW1
(mm)
kvs
(m³/h)
Gewicht
(kg)
1300G01500 15 G 3/4 42 47 35 86,5 19 0,4 0,53

CAD Modelle & Kennlinien

Bestellnr. DN CAD Modell Kennlinie
1300G01500 15 3D Daten anzeigen Kennlinie anzeigen

Downloads

Datenblatt
Dateityp
Produktdatenblatt
pdf
Anleitung
Dateityp
Einbau- und Bedienungsanleitung ETA-THERM
pdf (1,83 MB)
Prospekte
Dateityp
Gebäudetechnik Armaturen und Systeme
pdf (15,76 MB)
Prospekt Regulierarmaturen
pdf (1,93 MB)
Technische Informationen
Dateityp
Produktdaten nach VDI 3805, Blatt 17
zip (0,1 MB)
Ersatzteilhandbuch 2024
pdf (4,88 MB)
Durchflussdiagramme ETA-THERM
pdf (1,22 MB)
Serviceanleitung Thermische Regulierventile
pdf (1,95 MB)