/media/crossbase/fot_pro_per_91099040_sall_ainfs_v1_lj_366x382.jpg
/media/crossbase/zei_pro_sch_91099_sall_ainfs_v1_lj_366x382.jpg
/media/crossbase/fot_pro_per_91099040_sall_ainfs_v1_lj_366x382.jpg
/media/crossbase/zei_pro_sch_91099_sall_ainfs_v1_lj_366x382.jpg

Plattenwärmeübertrager Cu-gelötet für ThermoBox B40

Figur 910 99 040

  • passend für Figur 910

Produktmerkmale

  • passend für Figur 910
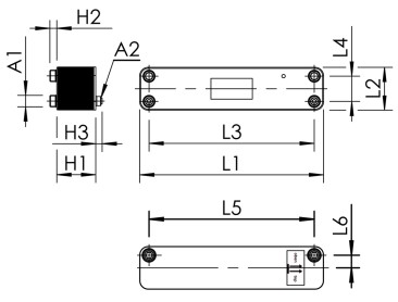
Bestellnr. A1 A2 H1
(mm)
H2
(mm)
H3
(mm)
L1
(mm)
L2
(mm)
L3
(mm)
L4
(mm)
L5
(mm)
L6
(mm)
Gewicht
(kg)
9109904000 G 1 G 1/4 76,5 20 15 532 124 478 73 478 36,5 7,89