/media/crossbase/fot_pro_per_7150g_sall_ainfs_v1_lj_366x382.jpg
/media/crossbase/zei_pro_sch_7140g_sall_ainfs_v2_lj_366x382.jpg
/media/crossbase/fot_pro_per_7150g_sall_ainfs_v1_lj_366x382.jpg
/media/crossbase/zei_pro_sch_7140g_sall_ainfs_v2_lj_366x382.jpg

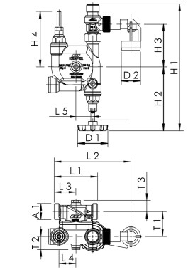
Sicherheitsgruppe, Ansprechdruck 0,8 MPa

Figur 715 0G

  • Innenteile aus Rotguss, Edelstahl und Kunststoff
  • zur Absicherung der Drucküberschreitung an geschlossenen Trinkwassererwärmern (TWE) bis 1.000 l Inhalt und max. 150 KW nach DIN 1988
  • mit Sicherheitsventil

Produktmerkmale

  • Innenteile aus Rotguss, Edelstahl und Kunststoff
  • zur Absicherung der Drucküberschreitung an geschlossenen Trinkwassererwärmern (TWE) bis 1.000 l Inhalt und max. 150 KW nach DIN 1988
  • mit Sicherheitsventil
  • wartungsfreie Spindelabdichtung mit selbstfettender EPDM-Lippendichtung
  • mit schwarzem Handrad
  • EPDM-Sitzdichtung
  • Außengewinde für flachdichtende Verschraubungen
  • mit Prüfeinrichtung
  • Teleskop-Ablaufleitung nach DIN EN 1717 zum Trichter
  • kontrollierbare RV-Patrone als Kunststoff-Strömungskörper
  • für waagerechten und senkrechten Einbau geeignet
  • Anschluss für optional erhältliches Manometer
  • mit Offenstellungsanzeige
  • die Anforderung zur Wartung gem. DIN EN 806-5 ist einzuhalten

Normen & Zulassungen

  • nach UBA KTW BWGL
  • nach UBA BWGL Metalle
  • DIN EN 1213 / DIN EN 1488
  • ÜA-Reg.-Nr. R-15.2.3-21-17048, WIEN-ZERT

Technische Daten

  • Druckstufe PN 16
  • max. Betriebstemperatur 65 °C
  • kurzfristige Spitzentemperatur 90 °C
  • Sicherheitsventil Ansprechdruck 0,8 MPa
/media/crossbase/zei_pro_sch_7140g_sall_ainfs_v2_lj_404xy.jpg
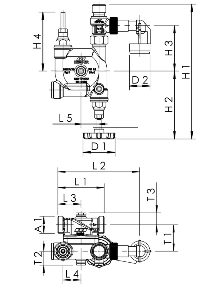
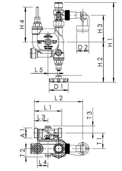
Bestellnr. DN A1 D1
(mm)
D2
(mm)
H1
(mm)
H2
(mm)
H3
(mm)
H4
(mm)
L1
(mm)
L2
(mm)
L3
(mm)
L4
(mm)
L5
(mm)
T1
(mm)
T2
(mm)
T3
(mm)
∆ pÖff.
(hPa)
kvs
(m³/h)
Gewicht
(kg)
7150G02000 20 G 1 60 40 270 135 88 151,5 90 158 45 57,5 35 51,5 27 20,6 10 4,5 2,81
7150G02500 25 G 1 1/4 60 40 270 135 88 151,5 100 163 50 57,5 35 51,5 27 27,5 10 4,5 2,86
7150G03200 32 G 1 1/2 60 40 270 135 88 151,5 105 165,5 52,5 57,5 35 51,5 27 27,5 10 4,5 2,95

CAD Modelle

Bestellnr. DN CAD Modell
7150G02000 20 3D Daten anzeigen
7150G02500 25 3D Daten anzeigen
7150G03200 32 3D Daten anzeigen

Downloads

Datenblatt
Dateityp
Produktdatenblatt
pdf
Anleitung
Dateityp
Einbau- und Bedienungsanleitung Sicherheitsgruppen
pdf (3,44 MB)
Prospekte
Dateityp
Gebäudetechnik Armaturen und Systeme
pdf (15,76 MB)
Technische Informationen
Dateityp
Produktdaten nach VDI 3805, Blatt 17
zip (0,1 MB)
Ersatzteilhandbuch 2024
pdf (4,88 MB)
Durchflussdiagramme Sicherheitsgruppe
pdf (0,03 MB)