/media/crossbase/fot_pro_per_68903008_sall_ainfs_v2_lj_366x382.jpg
/media/crossbase/zei_pro_sch_68903008_sall_ainfs_v1_lj_366x382.jpg
/media/crossbase/fot_pro_per_68903008_sall_ainfs_v2_lj_366x382.jpg
/media/crossbase/zei_pro_sch_68903008_sall_ainfs_v1_lj_366x382.jpg

KHS Hygienespülung PRO mit Durchflusssensor, mit zwei Anschlüssen

Figur 689 03 008

  • besonders geeignet für hygienerelevante Gebäude
  • für automatisch auslösende Wasserwechsel zur Sicherstellung des bestimmungsgemäßen Betriebs
  • ermöglicht turbulenten Wasserwechsel in Trinkwasserleitungen bis DN 50

Produktmerkmale

  • besonders geeignet für hygienerelevante Gebäude
  • für automatisch auslösende Wasserwechsel zur Sicherstellung des bestimmungsgemäßen Betriebs
  • ermöglicht turbulenten Wasserwechsel in Trinkwasserleitungen bis DN 50
  • mit zwei Anschlüssen (Wasserwechselgruppen) z. B. für Trinkwasser kalt (PWC) und Trinkwasser warm (PWH)
  • mediumberührte Metallteile aus entzinkungsfreiem und korrosionsbeständigem Rotguss, beständig gegen aggressives Wasser, Edelstahl und trinkwasserzugelassenen Kunststoffen
  • zum Einbau für alle Einbausituationen (Auf- und Unterputz)
  • zum Einbau im Nassbau oder in Vorwandsystemen
  • kleines Einbaumaß
  • schnelle Montage mittelst Bohrschablone
  • Einbaurahmen (inkl. Tiefenausgleich) und Befestigungsmaterial
  • Wechseldeckel (inkl. Deckelsicherung) mit Push-to-open Magnetschnapper Funktion
  • großzügige Revisionsöffnung
  • Außengewinde für flachdichtende Verschraubungen
  • mit Absperrfunktion zur Wartung
  • Magnetventil mit integriertem Feinsieb
  • Durchfluss- und Temperaturmessamatur (Pt1000) zur Erfassung von Spülmengen
  • Durchfluss 10l/min (5l/min oder 15l/min mit optionalem Zubehör)
  • werkseitig montiertes Spül-Set für Inbetriebnahme
  • alle funktionellen Bauteile werkzeugfrei wartbar
  • integrierte Überlaufüberwachung
  • integrierter Siphon (> 45 l/min) mit entnehmbarer Geruchsverschlusskappe
  • Freier Ablauf nach DIN EN 1717
  • Sperrwasserhöhe 50mm nach DIN 1986-100
  • Abflussnennweite (DN 40 und DN 50)
  • Steuereinheit PRO
  • Bedienung über WLAN (abschaltbar) mittels moderner Access-Point-Technologie
  • Sieben Timer für individuelle Spülstrategie
  • intervall-, zeit- und volumengesteuerte Spülmaßnahmen
  • temperatur- und nutzungsgesteuerte Spülmaßnahmen (nur mit zusätzlicher Temperaturmessarmatur Pt1000 möglich)
  • digitaler Inbetriebnahme- und Wartungsassistent
  • Auslesen von Analysen und Protokollen über WLAN und USB
  • visualisierte Spülhistorie
  • Anschluss an die KHS Mini-Systemsteuerung möglich
  • bis zu 100.000 Ereigniseinträge zum Nachweis des bestimmungsgemäßen Betriebes
  • Vernetzungen von bis zu 30 Hygienespülungen möglich
  • potentialfreier Störmeldekontakt
  • Einbindung in GLT (BACnet & Modbus) über KEMPER Hygienesystem KHS
  • Anbindung an GLT über Digital I/O
  • automatische Erkennung und Überprüfung aller funktionalen Bauteile
  • Erfassung der Medientemperatur mit optionalem Zubehör (KHS Temperaturmessarmatur Pt1000)
  • Summer für Störmeldungen (in drei Lautstärkestufen)
  • LED-Statusanzeige
  • externe Verbindungen ausnahmslos als Festanschluss im Gehäuse (keine externen Anschlussdosen notwendig)
  • Regler im Gehäuse vormontiert (Ausgangskabel Länge 5m)
  • Wartung und Inbetriebnahme der Anlage auf Anfrage

Normen & Zulassungen

  • DVGW-Zulassung
  • SVGW-Zulassung
  • WRAS-Zulassung
  • KIWA-Zulassung
  • BELGAQUA-Zulassung
  • nach UBA BWGL Metalle
  • Schallschutzzulassung nach DIN EN ISO 3822 Klasse 1 (bis 30 l/min)

Technische Daten

  • Druckstufe PN 10
  • max. Betriebstemperatur 70 °C
  • Schutzart IP44
  • Spannungsversorgung 230 V AC
  • elektrische Leistungsaufnahme 4,5 W
  • Leistungsaufnahme Standby 3,9 W
/media/crossbase/zei_pro_sch_68903008_sall_ainfs_v1_lj_404xy.jpg
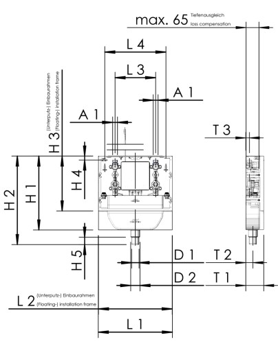
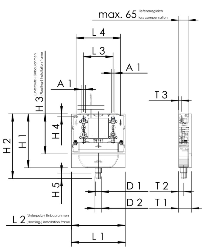
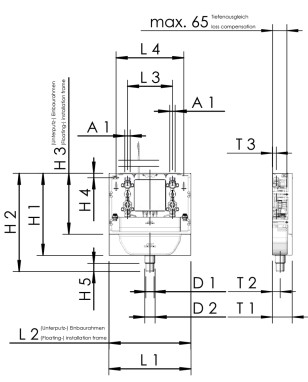
Bestellnr. DN A1 D1
(mm)
D2
(mm)
H1
(mm)
H2
(mm)
H3
(mm)
H4
(mm)
H5
(mm)
L1
(mm)
L2
(mm)
L3
(mm)
L4
(mm)
T1
(mm)
T2
(mm)
T3
(mm)
max. Fließdruck
(MPa)
min. Fließdruck
(MPa)
Anschluss-
nennweite
Abwasser (mm)
Gewicht
(kg)
6890300800 15 G 3/4 40 50 400 480 297 21,8 40 400 398 219 330 97 38,25 19,7 0,7 0,1 40 / 50 8,54

CAD Modelle & Kennlinien

Bestellnr. DN CAD Modell Kennlinie
6890300800 15 3D Daten anzeigen Kennlinie anzeigen

Downloads

Datenblatt
Dateityp
Produktdatenblatt
pdf
Anleitung
Dateityp
Wartungsanleitung KHS Hygienespülung PRO/PURE/LITE
pdf (5,99 MB)
Datenblatt Externe Ansteuerung KHS Hygienespülung PRO und LITE
pdf (3,25 MB)
Einbau- und Bedienungsanleitung Hygienespülung PRO/PURE/LITE
pdf (27,34 MB)
Montageanleitung Hygienespülung PRO/PURE/LITE
pdf (9,28 MB)
Prospekte
Dateityp
Gebäudetechnik Armaturen und Systeme
pdf (15,76 MB)
Prospekt Hygienesystem KHS
pdf (3,51 MB)
Prospekt KHS Hygienespülung
pdf (4,31 MB)
Prospekt Hygienesystem KHS Planungshilfe
pdf (3,9 MB)
Prospekt Hygienesystem KHS Planer
pdf (2,71 MB)
Prospekt Hygienesystem KHS Betreiber
pdf (0,62 MB)
Technische Informationen
Dateityp
Produktdaten nach VDI 3805, Blatt 17
zip (0,1 MB)
Software KHS Hygienespülung PRO / PURE
zip (1,08 MB)
Ersatzteilhandbuch 2024
pdf (4,88 MB)
Spezifikationen CAN-Bus Kabel
pdf (0,14 MB)
Abmaße UP Einbaurahmen und Wechseldeckel
pdf (0,07 MB)
Übergabeprotokoll PRO
pdf (0,76 MB)
Wartungsprotokoll PRO
pdf (0,83 MB)