/media/crossbase/fot_pro_per_13502_sall_ainfs_v1_lj_366x382.jpg
/media/crossbase/zei_pro_sch_13502_sall_ainfs_v2_lj_366x382.jpg
/media/crossbase/fot_pro_per_13502_sall_ainfs_v1_lj_366x382.jpg
/media/crossbase/zei_pro_sch_13502_sall_ainfs_v2_lj_366x382.jpg

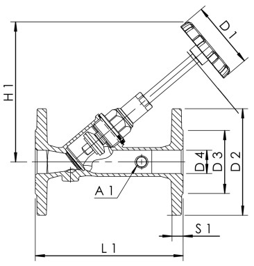
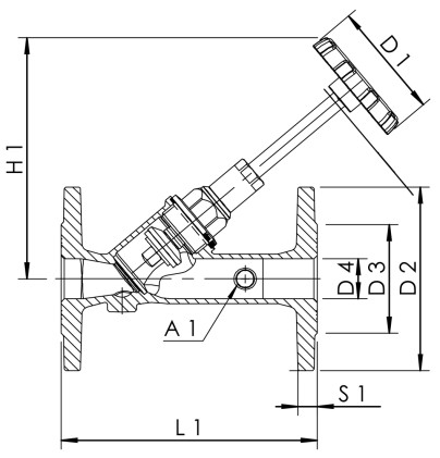
Freistrom-Absperrventil, mit Entleerventil, Flanschanschluss

Figur 135 02

  • mediumberührte Metallteile aus entzinkungsfreiem und korrosionsbeständigem Rotguss, beständig gegen aggressives Wasser
  • 10 Jahre Gewährleistung
  • wartungsfreie Spindelabdichtung mit selbstfettender EPDM-Lippendichtung, unter Druck austauschbar bis DN 80

Produktmerkmale

  • mediumberührte Metallteile aus entzinkungsfreiem und korrosionsbeständigem Rotguss, beständig gegen aggressives Wasser
  • 10 Jahre Gewährleistung
  • wartungsfreie Spindelabdichtung mit selbstfettender EPDM-Lippendichtung, unter Druck austauschbar bis DN 80
  • EPDM-Sitzdichtung
  • Kegel drehbar gelagert, gegen Druckschläge gesichert
  • Flanschanschluss
  • Entleerventil seitlich, mit drehbarem Schlauchanschluss G 3/4 und Kappe
  • Spindelgewinde außerhalb des Mediums
  • mit schwarzem Handrad
  • totraumfrei
  • mit Offenstellungsanzeige

Normen & Zulassungen

  • DVGW-Zulassung bis DN 80
  • WRAS-Zulassung
  • KIWA-Zulassung bis DN 100
  • VA-Zulassung
  • nach UBA KTW BWGL
  • nach UBA BWGL Metalle
  • bis DN 32 Schallschutzzulassung nach DIN EN ISO 3822 Klasse 1
  • DIN EN 1213 / DIN EN 558-1
  • ÜA-Reg.-Nr. R-15.2.3-21-17048, WIEN-ZERT

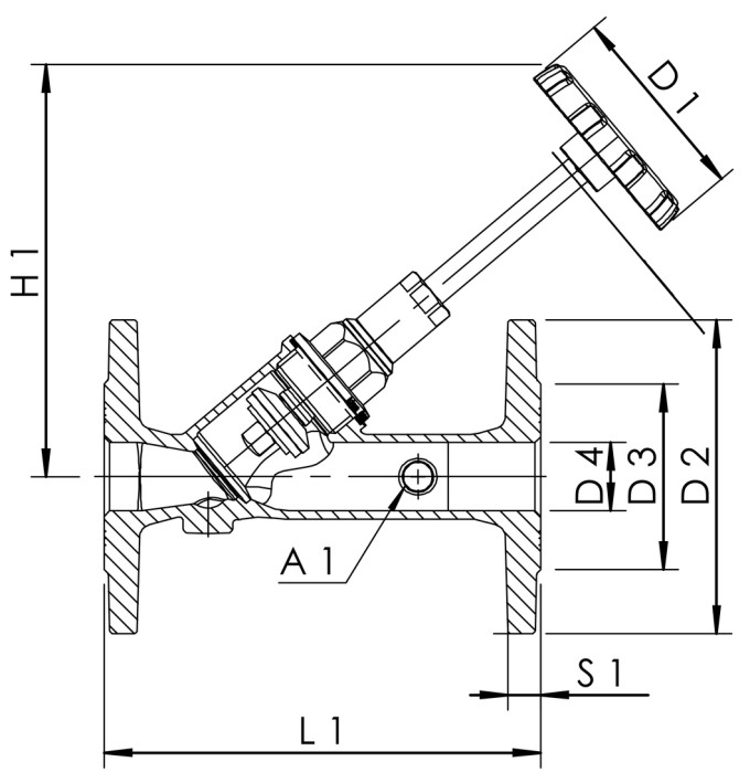
Technische Daten

  • Druckstufe PN 16
  • max. Betriebstemperatur 110 °C
/media/crossbase/zei_pro_sch_13502_sall_ainfs_v2_lj_404xy.jpg
Bestellnr. DN Anzahl Bohrungen A1 D1
(mm)
D2
(mm)
D3
(mm)
D4
(mm)
H1
(mm)
L1
(mm)
S1
(mm)
Zeta kvs
(m³/h)
Gewicht
(kg)
1350202500 25 4 G 1/4 70 115 65 25 149 160 13 1 24,2 2,86
1350203200 32 4 G 3/8 70 140 76 32 176 180 15 1,2 37,7 4,20
1350204000 40 4 G 3/8 70 150 84 40 180 200 15 1,3 55,4 5,05
1350205000 50 4 G 3/8 90 165 99 50 221 230 17 0,8 112,5 6,56
1350206500 65 4 G 3/8 90 185 118 65 294 290 17 1,6 132,6 9,88
1350208000 80 8 G 3/8 120 200 132 80 327 310 19 1,4 216,3 12,21
1350210000 100 8 G 3/8 120 220 158 100 302 350 21 2,7 240 19,33
1350212500 125 8 G 3/8 225 250 188 125 488 400 20 3,7 320 35,52
1350215000 150 8 G 3/8 225 285 212 150 295 480 18 3,8 460 51,00

Downloads

Datenblatt
Dateityp
Produktdatenblatt
pdf
Prospekte
Dateityp
Gebäudetechnik Armaturen und Systeme
pdf (15,76 MB)
Prospekt Absperrventile
pdf (21,21 MB)
Technische Informationen
Dateityp
Produktdaten nach VDI 3805, Blatt 17
zip (0,1 MB)
Flanschanschlussmaße
pdf (0,06 MB)
Ersatzteilhandbuch 2024
pdf (4,88 MB)