/media/crossbase/fot_pro_per_13502ch_sall_ainfs_v2_lj_366x382.jpg
/media/crossbase/zei_pro_sch_135020025_sall_ainfs_v2_lj_366x382.jpg
/media/crossbase/fot_pro_per_13502ch_sall_ainfs_v2_lj_366x382.jpg
/media/crossbase/zei_pro_sch_135020025_sall_ainfs_v2_lj_366x382.jpg

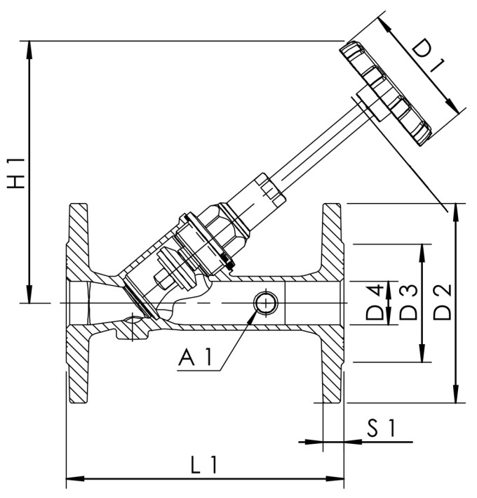
Vanne d'arrêt à passage libre, avec vanne de vidange, raccord à brides

Figure 135 02 CH

Caractéristique du produit

  • pièces métalliques en contact avec le fluide en bronze résistante à la dézincification et à la corrosion, résistant à l'eau agressive
  • 10 ans de garantie
  • étanchéité de broche sans entretien avec joint à lèvres EPDM, remplacement possible sous pression jusqu’à DN 80
  • joint de siège en EPDM
  • cône pivotant
  • raccord à bride
  • soupape de vidange latérale avec raccord pour le tuyau rotatif 3/4 et capuchon
  • filetage de la broche en dehors du fluide
  • sans espace mort
  • avec volant manuel noir

Normes et homologations

  • homologation DVGW jusqu’à DN 80
  • homologation WRAS
  • homologation KIWA jusqu’à DN 100
  • selon les critères d’évaluation pour KTW du Ministère fédéral allemand de l’environnement
  • jusqu’à DN 32 Certification d’insonorisation selon la norme DIN EN ISO 3822 classe 1
  • DIN EN 1213 / DIN EN 558-1

Données techniques

  • niveau de pression PN 16
  • température de service max. 110 °C
/media/crossbase/zei_pro_sch_135020025_sall_ainfs_v2_lj_404xy.jpg
Numéro de commande DN Nombre de trous D1
(mm)
D2
(mm)
D3
(mm)
D4
(mm)
H1
(mm)
L1
(mm)
T1
(mm)
Zeta kvs
(m³/h)
Poids
(kg)
13502025CH 25 4 70 115 68 25 149 160 12 1 24,2 2,90
13502032CH 32 4 70 140 78 32 173 180 13 1,2 37,7 4,90
13502040CH 40 4 70 150 88 40 177 200 14 1,3 55,4 5,85
13502050CH 50 4 90 165 102 50 221 230 14 0,8 112,5 8,06
13502065CH 65 4 90 185 122 65 294 290 15 1,6 132,6 10,00
13502080CH 80 8 120 200 138 80 327 310 16 1,4 216,3 14,60