/media/crossbase/fot_pro_per_950-960-970_sall_ainfs_v1_lj_366x382.jpg
/media/crossbase/zei_pro_sch_97001500_sall_ainfs_v2_lj_366x382.jpg
/media/crossbase/fot_pro_per_950-960-970_sall_ainfs_v1_lj_366x382.jpg
/media/crossbase/zei_pro_sch_97001500_sall_ainfs_v2_lj_366x382.jpg

KTS ThermoTank S, Heizungspufferspeicher PN 10

Figur 970

  • gedämmter Heizungspufferspeicher
  • zur Bevorratung von erwärmtem Heizungswasser
  • Leitblech zur turbulenzarmen Beladung

Produktmerkmale

  • gedämmter Heizungspufferspeicher
  • zur Bevorratung von erwärmtem Heizungswasser
  • Leitblech zur turbulenzarmen Beladung
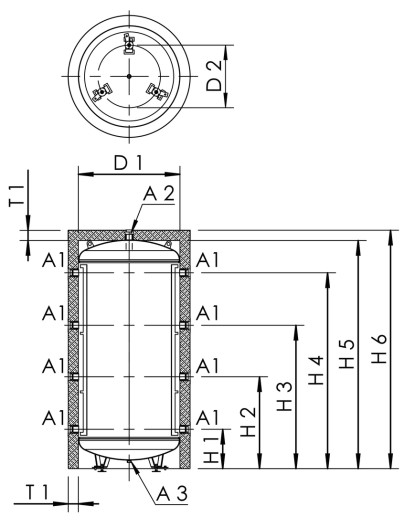
  • Speicher verfügt über 8 seitliche Anschlüsse und 1 oberen Anschluss
  • Innengewinde

Normen & Zulassungen

  • Baustoffklasse B1 nach DIN 4102

Technische Daten

  • Druckstufe PN 10
  • max. Betriebstemperatur 95 °C
  • Wärmeleitfähigkeit 0,0316 W/mK
/media/crossbase/zei_pro_sch_97001500_sall_ainfs_v2_lj_404xy.jpg
Bestellnr. Kippmaß
(mm)
Volumen
Betriebsmittel
(l)
A1 A2 D1
(mm)
D2
(mm)
H1
(mm)
H2
(mm)
H3
(mm)
H4
(mm)
H5
(mm)
H6
(mm)
T1
(mm)
Energieeffi-
zienzklasse
Warmhalte-
verluste (W)
Gewicht
(kg)
9700050000 1700 500 Rp 1 1/2 Rp 1 1/4 650 550 277 627 977 1327 1618 1670 100 B 75 133,00
9700100000 2260 1000 Rp 1 1/2 Rp 1 1/2 790 700 301 821 1331 1851 2164 2215 100 C 110 216,00
9700150000 2380 1500 Rp 2 Rp 2 1000 900 315 871 1381 1901 2274 2340 120 C 143 361,00

CAD Modelle

Bestellnr. CAD Modell
9700050000 3D Daten anzeigen
9700100000 3D Daten anzeigen
9700150000 3D Daten anzeigen

Downloads

Datenblatt
Dateityp
Produktdatenblatt
pdf
Anleitung
Dateityp
Serviceanleitung
pdf (3,43 MB)
Einbau- und Bedienungsanleitung KTS Frischwasserstation
pdf (13,52 MB)
Prospekte
Dateityp
Gebäudetechnik Armaturen und Systeme
pdf (15,76 MB)
Prospekt KTS Frischwasserstationen PRO
pdf (1,77 MB)
Technische Informationen
Dateityp
Ersatzteilhandbuch 2024
pdf (4,88 MB)
Konformitätserklärung KTS ThermoTank
pdf (0,06 MB)