/media/crossbase/fot_pro_per_17130_sall_ainfs_v1_lj_366x382.jpg
/media/crossbase/zei_pro_sch_17130_sall_ainfs_v1_lj_366x382.jpg
/media/crossbase/fot_pro_per_17130_sall_ainfs_v1_lj_366x382.jpg
/media/crossbase/zei_pro_sch_17130_sall_ainfs_v1_lj_366x382.jpg

ECO Freistrom-Absperrventil, mit Entleerstopfen, SANPRESS/PROFIPRESS

Figur 171 30

  • mediumberührte Metallteile aus entzinkungsfreiem und korrosionsbeständigem Rotguss, beständig gegen aggressives Wasser
  • O-Ring-Spindelabdichtung
  • EPDM-Sitzdichtung

Produktmerkmale

  • mediumberührte Metallteile aus entzinkungsfreiem und korrosionsbeständigem Rotguss, beständig gegen aggressives Wasser
  • O-Ring-Spindelabdichtung
  • EPDM-Sitzdichtung
  • Kegel aus Rotguss
  • Pressanschluss für Viega Edelstahlrohr SANPRESS und Kupferrohr PROFIPRESS
  • mit Entleerstopfen
  • mit Möglichkeit zur Aufnahme für Temperaturfühler Pt1000 oder Thermometer mittels optional erhältlicher Tauchhülse
  • mit grünem Handrad
  • totraumfrei

Normen & Zulassungen

  • DVGW-Zulassung
  • ÖVGW-Zulassung
  • VA-Zulassung
  • nach UBA KTW BWGL
  • nach UBA BWGL Metalle
  • bis DN 32 Schallschutzzulassung nach DIN EN ISO 3822 Klasse 1
  • DIN EN 1213
  • ÜA-Reg.-Nr. R-15.2.3-21-17048, WIEN-ZERT

Technische Daten

  • Druckstufe PN 16
  • max. Betriebstemperatur 110 °C
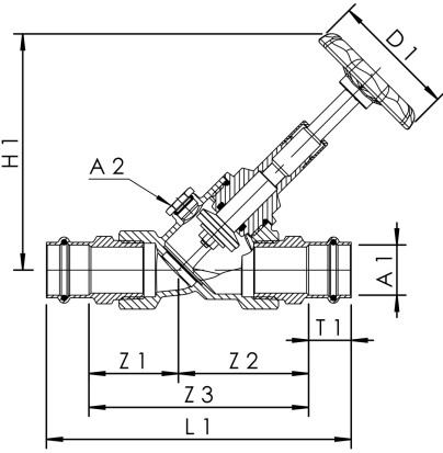
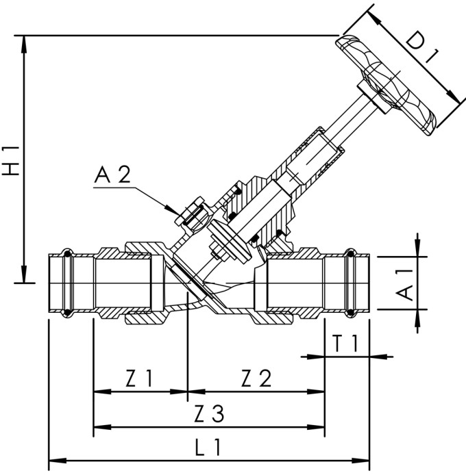
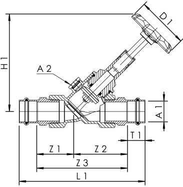
/media/crossbase/zei_pro_sch_17130_sall_ainfs_v1_lj_404xy.jpg
Bestellnr. DN A1
(mm)
A2 D1
(mm)
H1
(mm)
L1
(mm)
T1
(mm)
Z1
(mm)
Z2
(mm)
Z3
(mm)
Zeta kvs
(m³/h)
Gewicht
(kg)
1713001500 15 15 G 1/4 60 98 129 22 33 52 85 1,3 5,9 0,44
1713001800 15 18 G 1/4 60 98 127 21 33 52 85 1,3 5,9 0,44
1713002000 20 22 G 1/4 60 104 149 24 41 60 101 1,6 12,5 0,63
1713002500 25 28 G 1/4 70 133 172 24 50,5 73,5 124 1,4 21,3 1,05
1713003200 32 35 G 1/4 70 162 202 25 59 93 152 1,1 38,7 1,63
1713004000 40 42 G 1/4 70 164 232,5 36 60,5 100 160,5 1,5 47,2 2,09
1713005000 50 54 G 1/4 90 212,5 273 41 69 122 191 1,4 84,8 3,55

Downloads

Datenblatt
Dateityp
Produktdatenblatt
pdf
Prospekte
Dateityp
Gebäudetechnik Armaturen und Systeme
pdf (15,76 MB)
Prospekt Absperrventile
pdf (21,21 MB)
Technische Informationen
Dateityp
Produktdaten nach VDI 3805, Blatt 17
zip (0,1 MB)
Ersatzteilhandbuch 2024
pdf (4,88 MB)