/media/crossbase/fot_pro_per_17122_sall_ainfs_v1_lj_366x382.jpg
/media/crossbase/zei_pro_sch_17122_sall_ainfs_v1_lj_366x382.jpg
/media/crossbase/fot_pro_per_17122_sall_ainfs_v1_lj_366x382.jpg
/media/crossbase/zei_pro_sch_17122_sall_ainfs_v1_lj_366x382.jpg

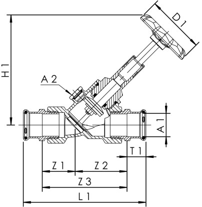
ECO Freistrom-Absperrventil, mit Entleerstopfen, MAPRESS

Figur 171 22

  • mediumberührte Metallteile aus entzinkungsfreiem und korrosionsbeständigem Rotguss, beständig gegen aggressives Wasser
  • O-Ring-Spindelabdichtung
  • EPDM-Sitzdichtung

Produktmerkmale

  • mediumberührte Metallteile aus entzinkungsfreiem und korrosionsbeständigem Rotguss, beständig gegen aggressives Wasser
  • O-Ring-Spindelabdichtung
  • EPDM-Sitzdichtung
  • Kegel aus Rotguss
  • Pressanschluss für Geberit MAPRESS Kupfer- und Edelstahlrohr
  • mit Entleerstopfen
  • mit Möglichkeit zur Aufnahme für Temperaturfühler Pt1000 oder Thermometer mittels optional erhältlicher Tauchhülse
  • mit grünem Handrad
  • totraumfrei

Normen & Zulassungen

  • DVGW-Zulassung
  • ÖVGW-Zulassung
  • VA-Zulassung
  • nach UBA KTW BWGL
  • nach UBA BWGL Metalle
  • bis DN 32 Schallschutzzulassung nach DIN EN ISO 3822 Klasse 1
  • DIN EN 1213
  • ÜA-Reg.-Nr. R-15.2.3-21-17048, WIEN-ZERT

Technische Daten

  • Druckstufe PN 16
  • max. Betriebstemperatur 110 °C
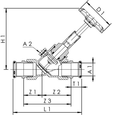
/media/crossbase/zei_pro_sch_17122_sall_ainfs_v1_lj_404xy.jpg
Bestellnr. DN A1
(mm)
A2 D1
(mm)
H1
(mm)
L1
(mm)
T1
(mm)
Z1
(mm)
Z2
(mm)
Z3
(mm)
Zeta kvs
(m³/h)
Gewicht
(kg)
1712201500 15 15 G 1/4 60 97,5 113 20 46 27 73 1,3 5,9 0,42
1712201800 15 18 G 1/4 60 97,5 115 20 28 47 75 1,3 5,9 0,44
1712202000 20 22 G 1/4 60 207 129 20 35 54 89 1,6 12,5 0,61
1712202500 25 28 G 1/4 70 133 149 23 40 63 103 1,4 21,3 1,00
1712203200 32 35 G 1/4 70 162,5 175 26 44,5 78,5 123 1,1 38,7 1,54
1712204000 40 42 G 1/4 70 163,5 204 30 52,5 91,5 144 1,5 47,2 1,99
1712205000 50 54 G 1/4 90 212,5 237,5 35 57 110 167 1,4 84,8 3,16

Downloads

Datenblatt
Dateityp
Produktdatenblatt
pdf
Prospekte
Dateityp
Gebäudetechnik Armaturen und Systeme
pdf (15,76 MB)
Prospekt Absperrventile
pdf (21,21 MB)
Technische Informationen
Dateityp
Produktdaten nach VDI 3805, Blatt 17
zip (0,1 MB)
Ersatzteilhandbuch 2024
pdf (4,88 MB)