/media/crossbase/fot_pro_per_965_sall_ainfs_v1_lj_366x382.jpg
/media/crossbase/zei_pro_sch_965_sall_ainfs_v1_lj_366x382.jpg
/media/crossbase/fot_pro_per_965_sall_ainfs_v1_lj_366x382.jpg
/media/crossbase/zei_pro_sch_965_sall_ainfs_v1_lj_366x382.jpg

KTS ThermoTank S, serbatoio di accumulo di riscaldamento PN 6, con attacchi per elementi riscaldanti

Figura 965

  • in esecuzione speciale per il collegamento supplementare di elementi riscaldanti elettrici
  • serbatoio di accumulo riscaldamento coibentato
  • per conservare acqua di riscaldamento riscaldata

caratteristiche del prodotto

  • in esecuzione speciale per il collegamento supplementare di elementi riscaldanti elettrici
  • serbatoio di accumulo riscaldamento coibentato
  • per conservare acqua di riscaldamento riscaldata
  • deflettore per carico a bassa turbolenza
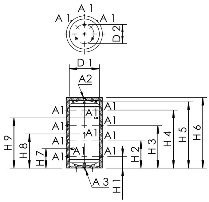
  • il serbatoio di accumulo dispone di 8 attacchi laterali, 1 attacco superiore e 3 attacchi aggiuntivi, disposti lateralmente per l’uso di elementi riscaldanti elettrici
  • filettatura interna
  • la lunghezza massima possibile delle cartucce di riscaldamento corrisponde alla dimensione di installazione D1

Standard e approvazioni

  • classe di resistenza al fuoco B1 secondo DIN 4102

Dati tecnici

  • Livello di pressione PN 6
  • temperatura d’esercizio max. 95 °C
  • conducibilità termica 0,0316 W/mK
/media/crossbase/zei_pro_sch_965_sall_ainfs_v1_lj_404xy.jpg
Ordine n. dimensioni da inclinato Volume mezzo di esercizio A1 A2 D1
(mm)
D2
(mm)
H1
(mm)
H2
(mm)
H3
(mm)
H4
(mm)
H5
(mm)
H6
(mm)
H7
(mm)
H8
(mm)
H9
(mm)
T1
(mm)
classe di efficienza energetica perdite di mantenimento di calore Peso
(kg)
9650050000 1700 500 Rp 1 1/2 Rp 1 1/4 650 450 277 627 977 1327 1618 1670 452 802 1152 100 B 75 144,00
9650100000 2260 1000 Rp 1 1/2 Rp 1 1/2 790 700 301 821 1331 1851 2168 2220 561 1076 1591 100 C 110 214,00

Modelli CAD

Ordine n. modello CAD
9650050000 Visualizza dati 3D
9650100000 Visualizza dati 3D