/media/crossbase/fot_pro_per_86100_sall_ainfs_v1_lj_366x382.jpg
/media/crossbase/zei_pro_sch_86101020_sall_ainfs_v1_lj_366x382.jpg
/media/crossbase/fot_pro_per_86100_sall_ainfs_v1_lj_366x382.jpg
/media/crossbase/zei_pro_sch_86101020_sall_ainfs_v1_lj_366x382.jpg

Vanne de registre UP-PLUS Corps de vanne encastré, vanne d'équerre, filetage intérieur, filetage extérieur

Figure 861 00

Caractéristique du produit

  • pièces métalliques en contact avec le fluide en bronze résistante à la dézincification et à la corrosion, résistant à l'eau agressive
  • entrée filetage intérieur, sortie filetage extérieur
  • étanchéité de broche en EPDM sans entretien
  • joint de siège en EPDM
  • cône en acier inoxydable
  • corps de vanne en acier inoxydable résistant à l’usure
  • tige en plastique raccourcissable en continu
  • rallongeable en utilisant le kit de rallonge disponible en option
  • sans espace mort
  • ils permettent un blocage, une régulation et un pré-réglage

Normes et homologations

  • homologation DVGW
  • homologation SSIGE
  • selon les critères d’évaluation pour KTW du Ministère fédéral allemand de l’environnement
  • certification d’insonorisation selon la norme DIN EN ISO 3822 classe 1
  • DIN EN 1213

Données techniques

  • profondeur d’installation max. 110 mm
  • niveau de pression PN 16
  • température de service max. 100 °C
/media/crossbase/zei_pro_sch_86101020_sall_ainfs_v1_lj_404xy.jpg
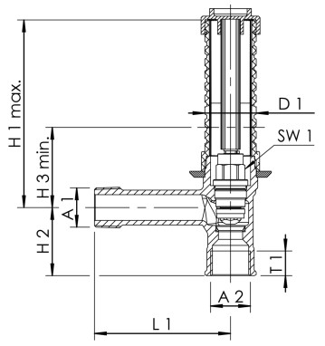
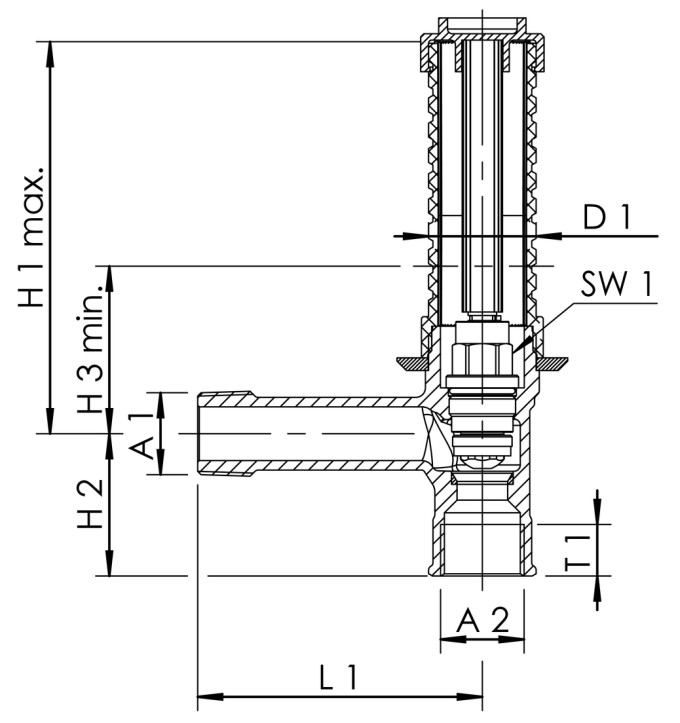
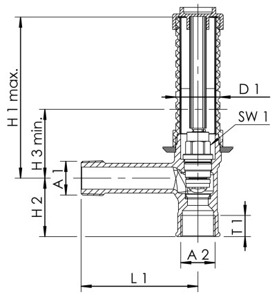
Numéro de commande DN A1 A2 D1
(mm)
H1
(mm)
H2
(mm)
H3
(mm)
L1
(mm)
SW1
(mm)
T1
(mm)
Poids
(kg)
86100020CH 20 R 3/4 Rp 3/4 34 124 45 53 90 17 16,3 0,59

Modèles DAO et courbes caractéristiques

Numéro de commande DN Modèle CAO Courbe caractéristique
86100020CH 20 Afficher des données 3D courbe caractéristique d'affichage

Téléchargements

Fiche de données
Type de fichier
Fiche technique du produit
pdf
Instructions
Type de fichier
Instructions de montage et d'utilisation des vannes encastrées UP-PLUS
pdf (1,11 MB)