/media/crossbase/fot_pro_per_56302ch_sall_ainfs_v1_lj_366x382.jpg
/media/crossbase/zei_pro_sch_56302020_sall_ainfs_v1_lj_366x382.jpg
/media/crossbase/fot_pro_per_56302ch_sall_ainfs_v1_lj_366x382.jpg
/media/crossbase/zei_pro_sch_56302020_sall_ainfs_v1_lj_366x382.jpg

UP-PLUS Corps de montage mural pour compteurs d'eau domestiques

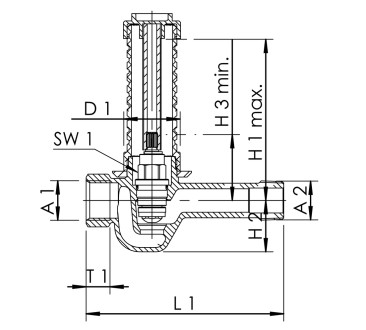
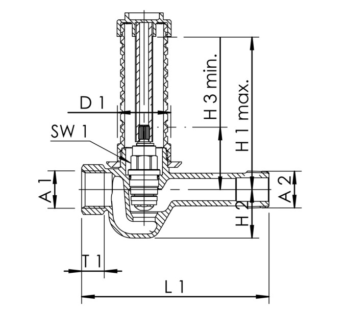
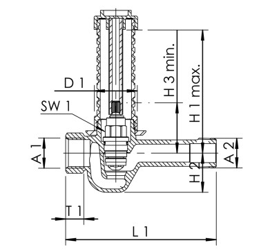
Figure 563 02 CH

Caractéristique du produit

  • pièces métalliques en contact avec le fluide en bronze résistante à la dézincification et à la corrosion, résistant à l'eau agressive
  • étanchéité de broche en EPDM sans entretien
  • joint de siège en EPDM
  • cône en acier inoxydable
  • tige en plastique raccourcissable en continu
  • entrée filetage intérieur du tube, sortie tronçon modérateur avec filetage extérieur du tube
  • sans espace mort
  • ils permettent un blocage, une régulation et un pré-réglage

Normes et homologations

  • homologation DVGW
  • homologation SSIGE
  • selon les critères d’évaluation pour KTW du Ministère fédéral allemand de l’environnement
  • selon les critères d’évaluation pour les métaux du Ministère fédéral allemand de l’environnement
  • jusqu’à DN 32 Certification d’insonorisation selon la norme DIN EN ISO 3822 classe 1
  • DIN EN 1213
  • ÜA-Reg.-Nr. R-15.2.3-21-17048, WIEN-ZERT

Données techniques

  • entraxe 110 mm
  • profondeur d’installation max. 110 mm
  • niveau de pression PN 16
  • température de service max. 100 °C
/media/crossbase/zei_pro_sch_56302020_sall_ainfs_v1_lj_404xy.jpg
Numéro de commande DN A1 A2 D1
(mm)
H1
(mm)
H2
(mm)
H3
(mm)
L1
(mm)
SW1
(mm)
T1
(mm)
Zeta kvs
(m³/h)
Poids
(kg)
56302020CH 20 Rp 3/4 R 3/4 38,5 110 35 45 135 17 16,3 6,9 6 0,61

Modèles DAO et courbes caractéristiques

Numéro de commande DN Modèle CAO Courbe caractéristique
56302020CH 20 Afficher des données 3D courbe caractéristique d'affichage