/media/crossbase/fot_pro_per_86005_sall_ainfs_v1_lj_366x382.jpg
/media/crossbase/zei_pro_sch_86005_sall_ainfs_v1_lj_366x382.jpg
/media/crossbase/fot_pro_per_86005_sall_ainfs_v1_lj_366x382.jpg
/media/crossbase/zei_pro_sch_86005_sall_ainfs_v1_lj_366x382.jpg

Eckventil, IG/Überwurfmutter

Figur 860 05

  • mediumberührte Metallteile aus entzinkungsfreiem und korrosionsbeständigem Rotguss, beständig gegen aggressives Wasser
  • geeignet für Revisionsklappeneinbau oder verdeckte Montage
  • wartungsfreie EPDM-Spindelabdichtung

Produktmerkmale

  • mediumberührte Metallteile aus entzinkungsfreiem und korrosionsbeständigem Rotguss, beständig gegen aggressives Wasser
  • geeignet für Revisionsklappeneinbau oder verdeckte Montage
  • wartungsfreie EPDM-Spindelabdichtung
  • EPDM-Sitzdichtung
  • Kegel aus Edelstahl
  • Eingang Innengewinde, Ausgang Überwurfmutter
  • Innenoberteil aus Rotguss
  • Betätigungsgriff(e) schwarz mit rotem und blauem Signierplättchen
  • totraumfrei

Normen & Zulassungen

  • DVGW-Zulassung
  • nach UBA KTW BWGL
  • nach UBA BWGL Metalle
  • bis DN 32 Schallschutzzulassung nach DIN EN ISO 3822 Klasse 1
  • DIN EN 1213
  • ÜA-Reg.-Nr. R-15.2.3-21-17048, WIEN-ZERT

Technische Daten

  • Druckstufe PN 16
  • max. Betriebstemperatur 100 °C
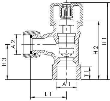
/media/crossbase/zei_pro_sch_86005_sall_ainfs_v1_lj_404xy.jpg
Bestellnr. DN A1 A2 H1
(mm)
H2
(mm)
H3
(mm)
L1
(mm)
T1
(mm)
Zeta kvs
(m³/h)
kg
8600502000 20 Rp 3/4 G 3/4 98,5 75 45 46 16,3 6,8 6,1 0,44

CAD Modelle & Kennlinien

Bestellnr. DN CAD Modell Kennlinie
8600502000 20 3D Daten anzeigen Kennlinie anzeigen

Downloads

Datenblatt
Dateityp
Produktdatenblatt
pdf
Prospekte
Dateityp
Gebäudetechnik Armaturen und Systeme
pdf (15,76 MB)
Technische Informationen
Dateityp
Produktdaten nach VDI 3805, Blatt 17
zip (0,1 MB)
Ersatzteilhandbuch 2024
pdf (4,88 MB)