/media/crossbase/fot_pro_per_950-960-970_sall_ainfs_v1_lj_366x382.jpg
/media/crossbase/zei_pro_sch_96001500_sall_ainfs_v1_lj_366x382.jpg
/media/crossbase/fot_pro_per_950-960-970_sall_ainfs_v1_lj_366x382.jpg
/media/crossbase/zei_pro_sch_96001500_sall_ainfs_v1_lj_366x382.jpg

KTS ThermoTank S, serbatoio di accumulo di riscaldamento PN 6

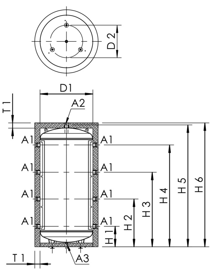
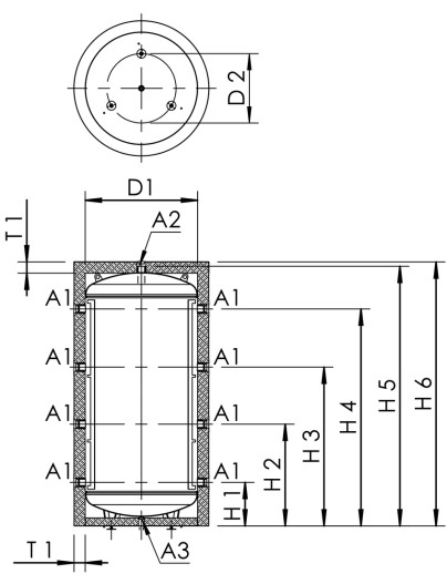
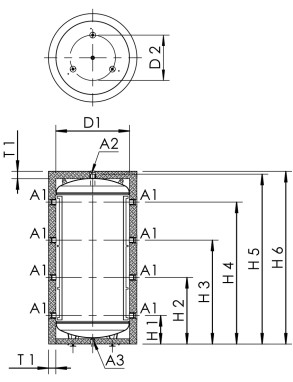
Figura 960

  • serbatoio di accumulo riscaldamento coibentato
  • per conservare acqua di riscaldamento riscaldata
  • deflettore per carico a bassa turbolenza

caratteristiche del prodotto

  • serbatoio di accumulo riscaldamento coibentato
  • per conservare acqua di riscaldamento riscaldata
  • deflettore per carico a bassa turbolenza
  • il serbatoio di accumulo dispone di 8 attacchi laterali e 1 attacco superiore
  • filettatura interna

Standard e approvazioni

  • classe di resistenza al fuoco B1 secondo DIN 4102

Dati tecnici

  • Livello di pressione PN 6
  • temperatura d’esercizio max. 95 °C
  • conducibilità termica 0,0316 W/mK
/media/crossbase/zei_pro_sch_96001500_sall_ainfs_v1_lj_404xy.jpg
Ordine n. dimensioni da inclinato Volume mezzo di esercizio A1 A2 D1
(mm)
D2
(mm)
H1
(mm)
H2
(mm)
H3
(mm)
H4
(mm)
H5
(mm)
H6
(mm)
T1
(mm)
classe di efficienza energetica perdite di mantenimento di calore Peso
(kg)
9600050000 1700 500 Rp 1 1/2 Rp 1 1/2 650 550 277 627 977 1327 1618 1670 100 B 75 144,00
9600085000 2250 850 Rp 1 1/2 Rp 1 1/2 750 650 298 818 1328 1848 2163 2215 100 C 101 222,00
9600100000 2250 1000 Rp 1 1/2 Rp 1 1/2 790 700 301 821 1331 1851 2164 2215 100 C 110 214,00
9601100000 2050 1000 Rp 1 1/2 Rp 1 1/2 850 750 308 743 1173 1608 1949 2000 100 C 118 222,00
9600150000 2400 1500 Rp 2 Rp 2 1000 900 351 871 1381 1901 2274 2340 120 C 143 337,00
9600200000 2450 2000 Rp 2 Rp 2 1100 1000 368 888 1398 1918 2296 2360 120 C 160 427,00

Modelli CAD

Ordine n. modello CAD
9600050000 Visualizza dati 3D
9600085000 Visualizza dati 3D
9600100000 Visualizza dati 3D
9601100000 Visualizza dati 3D
9600150000 Visualizza dati 3D
9600200000 Visualizza dati 3D