/media/crossbase/fot_pro_per_56011_sall_ainfs_v1_lj_366x382.jpg
/media/crossbase/zei_pro_sch_56011_sall_ainfs_v1_lj_366x382.jpg
/media/crossbase/fot_pro_per_56011_sall_ainfs_v1_lj_366x382.jpg
/media/crossbase/zei_pro_sch_56011_sall_ainfs_v1_lj_366x382.jpg

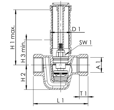
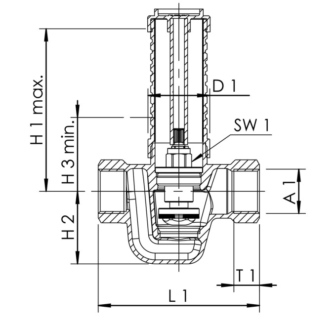
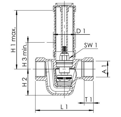
Corpo base valvola sottomuro UP-PLUS, filettatura interna

Figura 560 11

caratteristiche del prodotto

  • parti metalliche bagnate in bronzo rosso non soggetto a dezincificazione e resistente alla corrosione, resistenti all’acqua aggressiva
  • guarnizione asta in EPDM esente da manutenzione
  • guarnizione della sede in EPDM
  • elemento conico in acciaio inox
  • sede della valvola non soggetta a usura in acciaio inox
  • stelo in plastica accorciabile in continuo
  • prolungabile mediante set di prolungamento disponibile come optional
  • filettatura interna
  • senza spazi morti
  • con funzione di chiusura, regolazione e preimpostazione

Standard e approvazioni

  • approvazione SVGW
  • parti in plastica con approvazione KTW e W 270
  • secondo criteri di valutazione UBA
  • approvazione insonorizzazione secondo DIN EN ISO 3822 classe 1
  • DIN EN 1213
  • ÜA-Reg.-Nr. R-15.2.3-21-17048, WIEN-ZERT

Dati tecnici

  • profondità d’installazione max. 110 mm
  • Livello di pressione PN 16
  • temperatura d’esercizio max. 100 °C
/media/crossbase/zei_pro_sch_56011_sall_ainfs_v1_lj_404xy.jpg
Ordine n. DN A1 D1
(mm)
H1
(mm)
H2
(mm)
H3
(mm)
L1
(mm)
T1
(mm)
Zeta kvs kg
56011015CH 15 Rp 1/2 38,5 110 37 55 80 15 2,7 5,4 0,56
56011020CH 20 Rp 3/4 38,5 110 35 55 90 16,3 6,9 6 0,63
56011025CH 25 Rp 1 46 120 54 55 120 19,1 4 12,3 1,12

Modelli CAD e curve caratteristiche

Scarica

Scheda dati
Tipo di file
Scheda tecnica del prodotto
pdf
Istruzioni
Tipo di file
istruzioni di montaggio e uso valvole a incasso UP-PLUS
pdf (1.11 MB)
Informazioni tecniche
Tipo di file
diagrammi di flusso valvole a incasso UP-PLUS
pdf (0.11 MB)