/media/crossbase/fot_pro_per_1340g_sall_ainfs_v1_lj_366x382.jpg
/media/crossbase/zei_pro_sch_1340g_sall_ainfs_v1_lj_366x382.jpg
/media/crossbase/fot_pro_per_1340g_sall_ainfs_v1_lj_366x382.jpg
/media/crossbase/zei_pro_sch_1340g_sall_ainfs_v1_lj_366x382.jpg

Valvola di regolazione della circolazione automatica ETA-THERM, da 62 °C a 64 °C, filettatura esterna

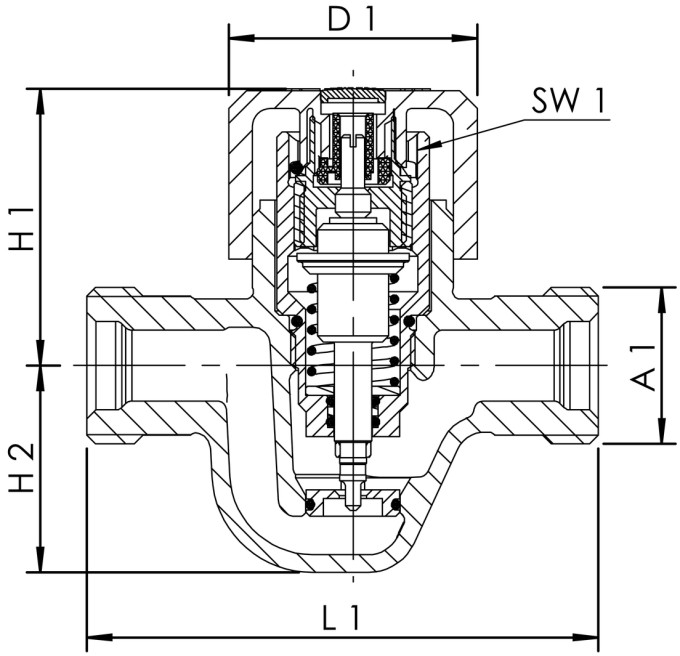
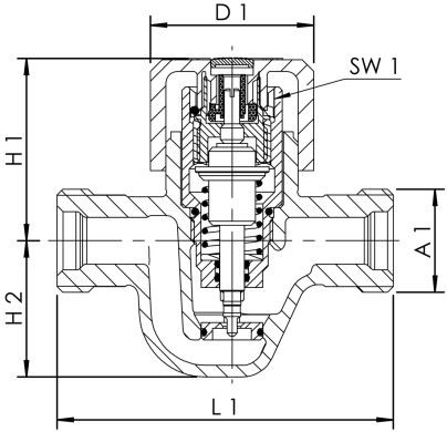
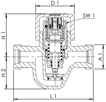
Figura 134 0G

  • valvola automatica di controllo preciso per il bilanciamento idraulico di piccolissimi circuiti di circolazione a partire da kv-min 0,05
  • per il bilanciamento idraulico autoregolante termico, con conversione automatica del campo di regolazione per la disinfezione termica
  • parti metalliche bagnate in bronzo rosso non soggetto a dezincificazione e resistente alla corrosione, resistenti all’acqua aggressiva

caratteristiche del prodotto

  • valvola automatica di controllo preciso per il bilanciamento idraulico di piccolissimi circuiti di circolazione a partire da kv-min 0,05
  • per il bilanciamento idraulico autoregolante termico, con conversione automatica del campo di regolazione per la disinfezione termica
  • parti metalliche bagnate in bronzo rosso non soggetto a dezincificazione e resistente alla corrosione, resistenti all’acqua aggressiva
  • guarnizione della sede in PTFE
  • guarnizione asta in EPDM esente da manutenzione
  • unità di regolazione termostatica
  • Filettatura esterna per raccordi a vite a tenuta piatta
  • maniglia di attivazione con piastrine con marchio lilla
  • senza spazi morti
  • con funzione di chiusura, regolazione e preimpostazione

Standard e approvazioni

  • approvazione DVGW
  • approvazione ÖVGW
  • approvazione SVGW
  • secondo UBA KTW BWGL
  • per impianti secondo scheda DVGW W 551/W 553/DIN 1988-300
  • secondo UBA BWGL Metals
  • ÜA-Reg.-Nr. R-15.2.3-21-17048, WIEN-ZERT

Dati tecnici

  • campo di regolazione 62 °C - 64 °C
  • Livello di pressione PN 16
  • temperatura d’esercizio max. 90 °C
/media/crossbase/zei_pro_sch_1340g_sall_ainfs_v1_lj_404xy.jpg
Ordine n. DN A1 D1
(mm)
H1
(mm)
H2
(mm)
L1
(mm)
SW1 kvs Peso
(kg)
1340G01500 15 G 3/4 42 47 35 86,5 19 0,4 0,51

Modelli CAD e curve caratteristiche

Ordine n. DN modello CAD Curva caratteristica
1340G01500 15 Visualizza dati 3D Visualizza la curva caratteristica

Scarica

Scheda dati
Tipo di file
Scheda tecnica del prodotto
pdf
Istruzioni
Tipo di file
istruzioni di montaggio e uso ETA-THERM
pdf (1.83 MB)
Opuscoli
Tipo di file
brochure rubinetteria di controllo
pdf (2.96 MB)
Informazioni tecniche
Tipo di file
diagrammi di flusso ETA-THERM
pdf (1.22 MB)